LWHA311J9

FCC ID

Equipment:

Labway Corporation A311J9

6F, 788 Chung Cheng Road Chung Ho City, Taipei, N/A N/A Taiwan

Application
Frequency Range
Final Action Date
Granted
n1JA3eVZEQxVbYrNsw0nlw==
-
1999-02-11
APPROVED
File NameDocument TypeDateDirect
INTERNAL PHOTO 2 OF 2Internal Photos 1999-02-11 00:00:00 jpeg
INTERNAL PHOTO 1 OF 2Internal Photos 1999-02-11 00:00:00 jpeg
TEST REPORT WITH SETUP PHOTOTest Report 1999-02-11 00:00:00 pdf
USER MANUALUsers Manual 1999-02-11 00:00:00 pdf
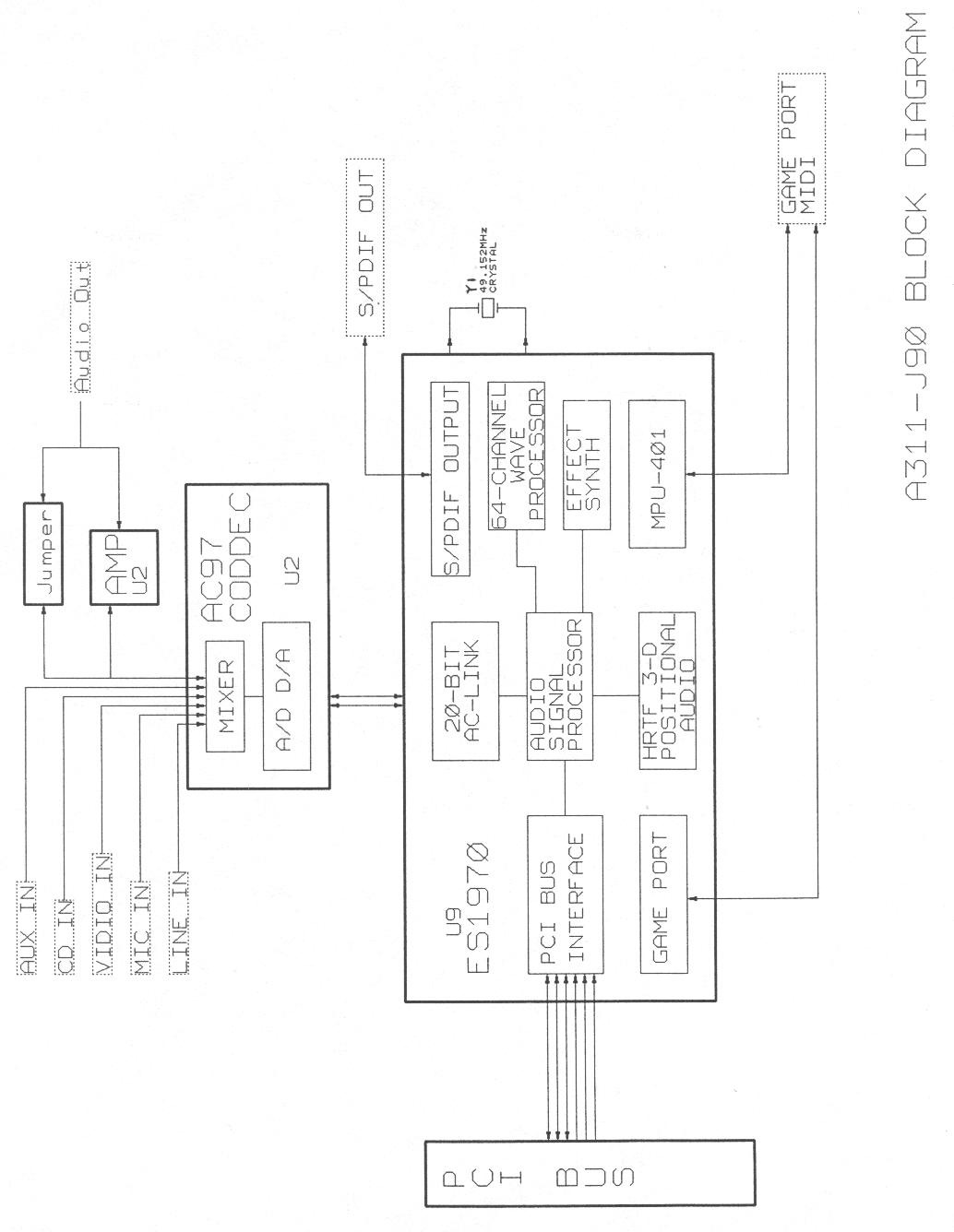
BLOCK DIAGRAMBlock Diagram 1999-02-11 00:00:00 jpeg
FCC ID LABEL FORMAT AND LOCATIONID Label/Location Info 1999-02-11 00:00:00 pdf

Application Details:

EquipmentPCI SOUND CARD
FRNlwha151a00
Grantee CodeLWH
Product CodeA311J9
Applicant BusinessLabway Corporation
Business Address6F, 788 Chung Cheng Road Chung Ho City, Taipei,N/A Taiwan
TCB Scope
TCB Email
ApplicantChris Fong – R & D Manager
Applicant Phone
Applicant Fax02 323-40220
Applicant Email[email protected]
Applicant MailStop
Test FirmCompliance Certification Services Inc
Test Firm ContactSteve Cheng
Test Firm Phone 112
Test Firm Fax408-463-0888
Test Firm Email[email protected]
Certified ByMIKE C. I. KUO – VICE PRESIDENT

© 2026 FCC.report
This site is not affiliated with or endorsed by the FCC