Toggle navigation
FCC.report
IBFS
ELS
FCC ID
Contact
About
LFUSUN1262F-1
FCC ID
Equipment:
Sunpentown Electric Co Ltd SUN1262F-1
1R., 16F, No. 248, Sec. 3, Nan-King E. Rd., Taipei, N/A N/A Taiwan
FCC.report
›
FCC ID
›
Sunpentown Electric Co Ltd
›
LFUSUN1262F-1
Application
Frequency Range
Final Action Date
Granted
RP6JQe04k+s7Jc+2m+xlnA==
20.0-20.0
2000-03-15
APPROVED
File Name
Document Type
Date
Direct
Circuti description
Operational Description
2000-03-15 00:00:00
pdf
Manual
Users Manual
2000-03-15 00:00:00
jpeg
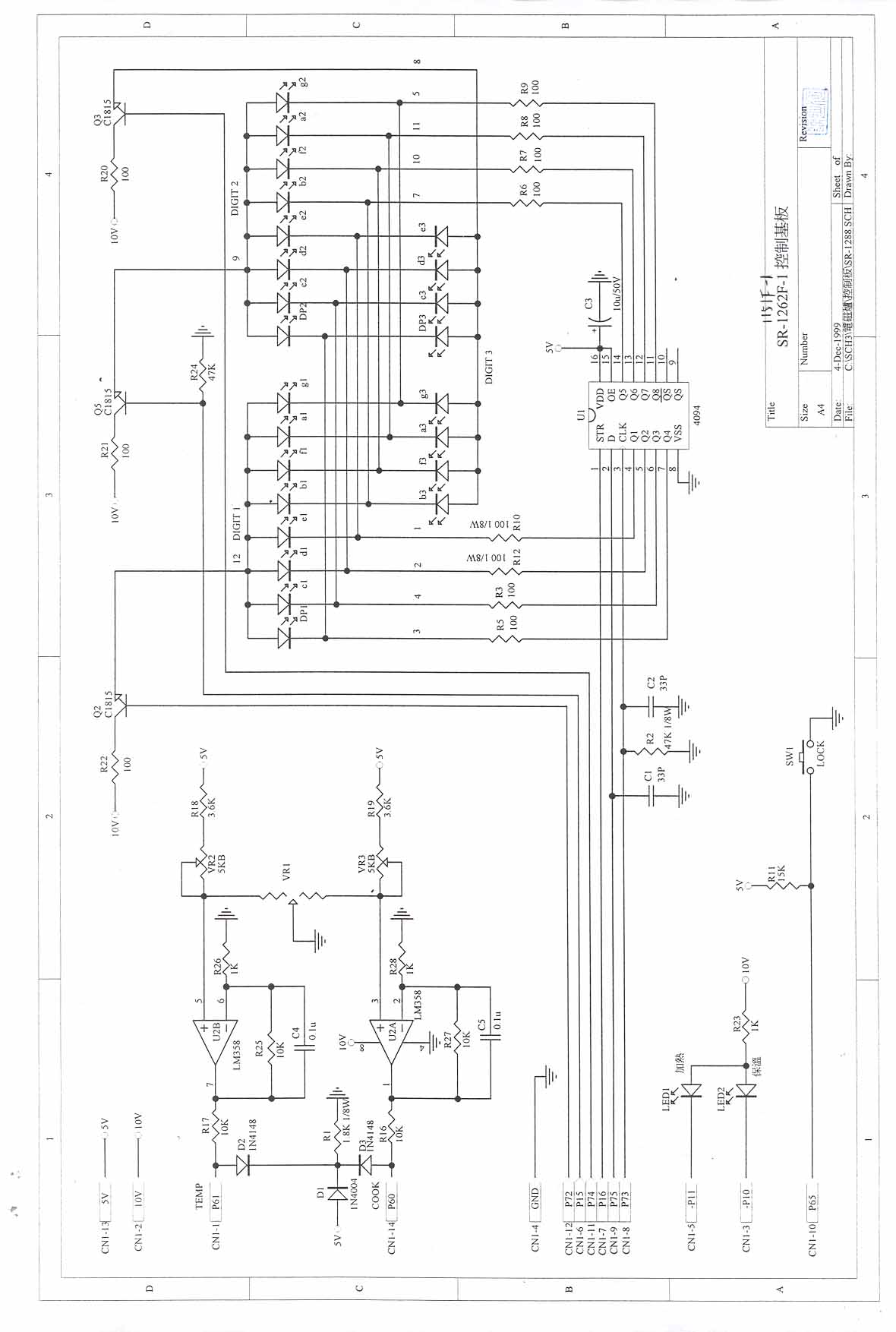
Circuit Diagram
Schematics
2000-03-15 00:00:00
jpeg
Block Diagram
Block Diagram
2000-03-15 00:00:00
pdf
EUT Photos
External Photos
2000-03-15 00:00:00
pdf
Test Report
Test Report
2000-03-15 00:00:00
pdf
FCC ID LOCATION
ID Label/Location Info
2000-03-15 00:00:00
pdf
LABEL
ID Label/Location Info
2000-03-15 00:00:00
jpeg
Application Details:
Equipment
Induction Cooking-Top
FRN
0007942071
Grantee Code
LFU
Product Code
SUN1262F-1
Applicant Business
Sunpentown Electric Co Ltd
Business Address
1R., 16F, No. 248, Sec. 3, Nan-King E. Rd. , Taipei,N/A Taiwan
TCB Scope
TCB Email
Applicant
John Lai –
Applicant Phone
Applicant Fax
886-2-27783368
Applicant Email
N/A
Applicant MailStop
Test Firm
Sporton International Inc.
Test Firm Contact
W. Huang
Test Firm Phone
Test Firm Fax
886-2-26962255
Test Firm Email
[email protected]
Certified By
John Lai – Factory Manager
© 2025 FCC.report
This site is not affiliated with or endorsed by the FCC