KR5STEP56

FCC ID

Equipment:

Continental Automotive GmbH STEP56

Siemensstrasse 12 SV C TS RBG EMC-Laboratory, Regensburg, N/A 93055 Germany

Application
Frequency Range
Final Action Date
Granted
wMNLPyz6AUFUNEXsMR12tQ==
0.134-0.134
2000-08-24
APPROVED
File NameDocument TypeDateDirect
occupied bandwidth plotTest Report 2000-08-24 00:00:00 pdf
solder sideInternal Photos 2000-08-24 00:00:00 jpeg
component sideInternal Photos 2000-08-24 00:00:00 jpeg
rearExternal Photos 2000-08-24 00:00:00 jpeg
frontExternal Photos 2000-08-24 00:00:00 jpeg
circuit description part of users manual repeat of previous exhibitOperational Description 2000-08-24 00:00:00 pdf
users manualUsers Manual 2000-08-24 00:00:00 pdf
test setup photoTest Setup Photos 2000-08-24 00:00:00 jpeg
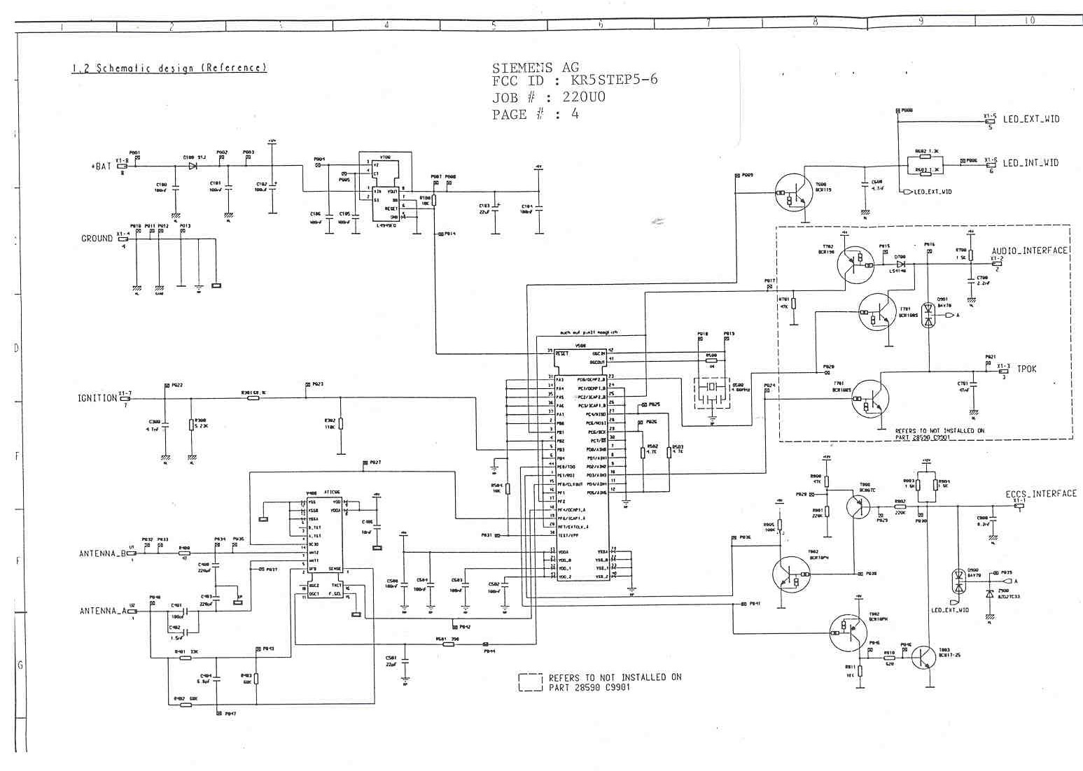
schematic diagramSchematics 2000-08-24 00:00:00 jpeg
block diagramBlock Diagram 2000-08-24 00:00:00 pdf
label locationID Label/Location Info 2000-08-24 00:00:00 jpeg
label sampleID Label/Location Info 2000-08-24 00:00:00 pdf
test reportTest Report 2000-08-24 00:00:00 pdf

Application Details:

EquipmentImmobiliser System
FRN0006721039
Grantee CodeKR5
Product CodeSTEP5-6
Applicant BusinessContinental Automotive GmbH
Business AddressSiemensstrasse 12 SV C TS RBG EMC-Laboratory, Regensburg,N/A Germany 93055
TCB ScopeA1: Low Power Transmitters below 1 GHz (except Spread Spectrum), Unintentional Radiators, EAS (Part 11) & Consumer ISM devices
TCB Email[email protected]
ApplicantDagmar Kolar – Type approval employee
Applicant Phone
Applicant Fax49-941-790-136699
Applicant Email[email protected]
Applicant MailStop
Test FirmTimco Engineering, Inc.
Test Firm ContactS Sanders
Test Firm Phone
Test Firm Fax352-472-2030
Test Firm Email[email protected]
Certified ByDagmar Kolar –

© 2026 FCC.report
This site is not affiliated with or endorsed by the FCC