KFRTX234

FCC ID

Equipment:

Vision Automobile Electronics Industrial Co Ltd TX234

No.78, Gongye 3rd Rd., Technology Industrial Park,, Tainan, N/A 70955 Taiwan

Application
Frequency Range
Final Action Date
Granted
XKnD1pMmyuQcnNxlDZyBPw==
433.0-433.0
2000-12-18
APPROVED
File NameDocument TypeDateDirect
USER MANUALUsers Manual 2000-12-18 00:00:00 pdf
TEST SETUP PHOTOSTest Setup Photos 2000-12-18 00:00:00 pdf
TEST REPORTTest Report 2000-12-18 00:00:00 pdf
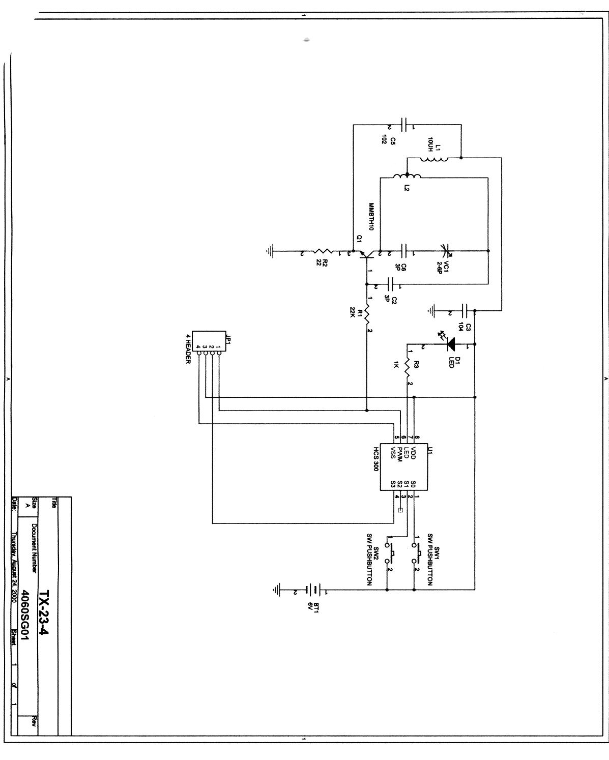
SCHEMATIC DIAGRAMSchematics 2000-12-18 00:00:00 jpeg
OPERATIONAL DESCRIPTIONOperational Description 2000-12-18 00:00:00 jpeg
INTERNAL PHOTOSInternal Photos 2000-12-18 00:00:00 pdf
FCC ID LABEL FORMAT AND LOCATIONID Label/Location Info 2000-12-18 00:00:00 pdf
EXTERNAL PHOTOSExternal Photos 2000-12-18 00:00:00 pdf
BLOCK DIAGRAMBlock Diagram 2000-12-18 00:00:00 jpeg

Application Details:

EquipmentCAR ALARM TRANSMITTER
FRN0020748885
Grantee CodeKFR
Product CodeTX-23-4
Applicant BusinessVision Automobile Electronics Industrial Co Ltd
Business AddressNo.78, Gongye 3rd Rd., Technology Industrial Park, , Tainan,N/A Taiwan 70955
TCB ScopeA1: Low Power Transmitters below 1 GHz (except Spread Spectrum), Unintentional Radiators, EAS (Part 11) & Consumer ISM devices
TCB Email[email protected]
ApplicantSarah Wan – Assistant Manager
Applicant Phone
Applicant Fax+886-6-2554484
Applicant Email[email protected]
Applicant MailStop
Test FirmCompliance Engineering Services
Test Firm ContactSteve Hsu
Test Firm Phone
Test Firm Fax
Test Firm Email
Certified ByRICK YEO – EMC MANAGER

© 2026 FCC.report
This site is not affiliated with or endorsed by the FCC