Toggle navigation
FCC.report
IBFS
ELS
FCC ID
Contact
About
K66VXA120
FCC ID
Equipment:
Yaesu Musen Co., Ltd. VXA120
Tennozu Parkside Building 2-5-8 Higashi-Shinagawa, Shinagawa-ku, Tokyo, N/A 140-0002 Japan
FCC.report
›
FCC ID
›
Yaesu Musen Co., Ltd.
›
K66VXA120
Application
Frequency Range
Final Action Date
Granted
0BAN0Mo9m5LX1O7O1b76aQ==
118.0-136.975
2000-03-21
APPROVED
File Name
Document Type
Date
Direct
Reply letter from FAA
Cover Letter(s)
2000-03-21 00:00:00
pdf
Letter to FAA advising application filing
Cover Letter(s)
2000-03-21 00:00:00
pdf
Cover letter to correct emmission designator on form 731
Cover Letter(s)
2000-03-21 00:00:00
pdf
occupied bandwidth plot
Test Report
2000-03-21 00:00:00
jpeg
occupied bandwidth cw plot
Test Report
2000-03-21 00:00:00
jpeg
modulation limiting plot 3000 hz
Test Report
2000-03-21 00:00:00
pdf
modulation limiting plot 1000 hz
Test Report
2000-03-21 00:00:00
pdf
modulation limiting plot 300 hz
Test Report
2000-03-21 00:00:00
pdf
audio frequency response plot
Test Report
2000-03-21 00:00:00
pdf
alignment procedure
Parts List/Tune Up Info
2000-03-21 00:00:00
pdf
circuit description
Operational Description
2000-03-21 00:00:00
pdf
users manual
Users Manual
2000-03-21 00:00:00
pdf
parts list
Parts List/Tune Up Info
2000-03-21 00:00:00
pdf
schematic sw unit
Schematics
2000-03-21 00:00:00
jpeg
schematic vr
Schematics
2000-03-21 00:00:00
jpeg
schematic main unit
Schematics
2000-03-21 00:00:00
jpeg
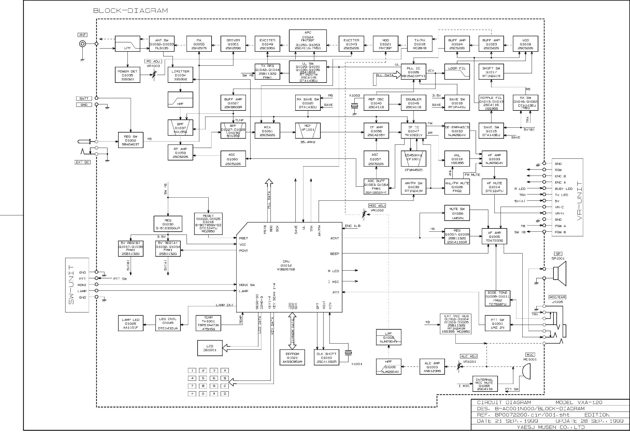
block diagram
Block Diagram
2000-03-21 00:00:00
jpeg
internal solder side photo
Internal Photos
2000-03-21 00:00:00
jpeg
internal component side photo
Internal Photos
2000-03-21 00:00:00
jpeg
rear view without battery cover photo
External Photos
2000-03-21 00:00:00
jpeg
top view external photo
External Photos
2000-03-21 00:00:00
jpeg
side view external photo
External Photos
2000-03-21 00:00:00
jpeg
rear view external photo
External Photos
2000-03-21 00:00:00
jpeg
front view external photo
External Photos
2000-03-21 00:00:00
jpeg
FCC ID label sample and sketch of location
ID Label/Location Info
2000-03-21 00:00:00
jpeg
power of attorney letter
Cover Letter(s)
2000-03-21 00:00:00
pdf
test report
Test Report
2000-03-21 00:00:00
pdf
Application Details:
Equipment
Air Band Transceiver
FRN
0013655220
Grantee Code
K66
Product Code
VXA-120
Applicant Business
Yaesu Musen Co., Ltd.
Business Address
Tennozu Parkside Building 2-5-8 Higashi-Shinagawa, Shinagawa-ku, Tokyo,N/A Japan 140-0002
TCB Scope
TCB Email
Applicant
Kouji Taguchi – Engineering Division/Quality Assurance Leader
Applicant Phone
Applicant Fax
81-3-6711-4278
Applicant Email
[email protected]
Applicant MailStop
Test Firm
Timco Engineering, Inc.
Test Firm Contact
Sid Sanders
Test Firm Phone
Test Firm Fax
352-472-2030
Test Firm Email
[email protected]
Certified By
S. S. Sanders – Engineer
© 2026 FCC.report
This site is not affiliated with or endorsed by the FCC