JOZWHF430-E

FCC ID

Equipment:

Automatic Manufacturing Ltd WHF430-E

15/F., Blk. B, Veristrong Ind. Centre 36 Au Pui Wan St., Kwun Tong, Fotan, N/A N/A Hong Kong

Application
Frequency Range
Final Action Date
Granted
DrOfEGtFJZLlAIHKPXLWhw==
902.0-908.0
2002-08-19
APPROVED
File NameDocument TypeDateDirect
users manualUsers Manual 2002-08-19 00:00:00 pdf
test setupjpeg 2002-08-19 00:00:00 jpeg
test reportTest Report 2002-08-19 00:00:00 pdf
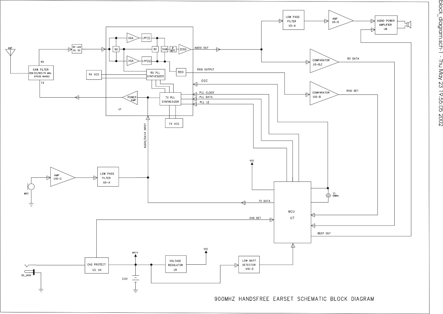
schematicsSchematics 2002-08-19 00:00:00 pdf
operational descriptionOperational Description 2002-08-19 00:00:00 pdf
internal photosInternal Photos 2002-08-19 00:00:00 pdf
label locationID Label/Location Info 2002-08-19 00:00:00 pdf
label sampleID Label/Location Info 2002-08-19 00:00:00 pdf
external photosExternal Photos 2002-08-19 00:00:00 pdf
block diagramjpeg 2002-08-19 00:00:00 jpeg

Application Details:

EquipmentWireless Duplex Voice Transmitter
FRN0007439300
Grantee CodeJOZ
Product CodeWHF430-E
Applicant BusinessAutomatic Manufacturing Ltd
Business Address15/F., Blk. B, Veristrong Ind. Centre 36 Au Pui Wan St., Kwun Tong, Fotan,N/A Hong Kong
TCB ScopeA1: Low Power Transmitters below 1 GHz (except Spread Spectrum), Unintentional Radiators, EAS (Part 11) & Consumer ISM devices
TCB Email[email protected]
ApplicantMok Kin Lun – Managing Director
Applicant Phone
Applicant Fax
Applicant Email[email protected]
Applicant MailStop
Test FirmTimco Engineering, Inc.
Test Firm ContactS Sanders
Test Firm Phone
Test Firm Fax352-472-2030
Test Firm Email[email protected]
Certified ByRosanna Shum –

© 2026 FCC.report
This site is not affiliated with or endorsed by the FCC