IP9TX600

FCC ID

Equipment:

Tactical Technologies Inc TX600

500 Pine Street Suite 3A Holmes Corp. Center, Holmes, PA 19043 United States

Application
Frequency Range
Final Action Date
Granted
5Q0D8SREqhthHUquwmrKEQ==
418.0-418.0
2000-09-15
APPROVED
File NameDocument TypeDateDirect
Test Report RSI labTest Report 2000-09-15 00:00:00 pdf
Ops DescriptionOperational Description 2000-09-15 00:00:00 pdf
Internal photo 2 fo 2Internal Photos 2000-09-15 00:00:00 jpeg
Internal photo 1 of 2Internal Photos 2000-09-15 00:00:00 jpeg
ManualUsers Manual 2000-09-15 00:00:00 pdf
Test photoTest Setup Photos 2000-09-15 00:00:00 jpeg
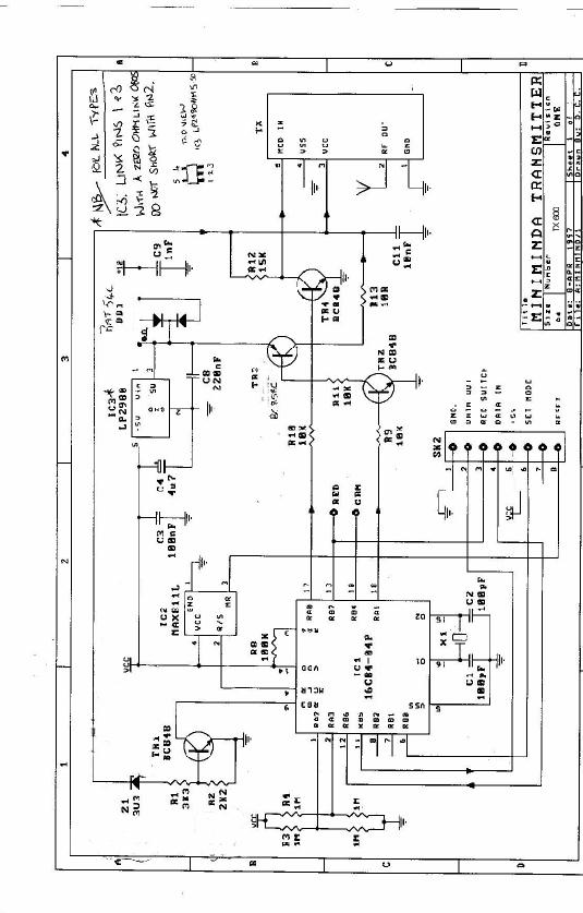
SchematicSchematics 2000-09-15 00:00:00 jpeg
BlockBlock Diagram 2000-09-15 00:00:00 jpeg
External PhotoExternal Photos 2000-09-15 00:00:00 jpeg
LabelID Label/Location Info 2000-09-15 00:00:00 jpeg

Application Details:

Equipment
FRN0003747292
Grantee CodeIP9
Product CodeTX600
Applicant BusinessTactical Technologies Inc
Business Address500 Pine Street Suite 3A Holmes Corp. Center, Holmes,Pennsylvania United States 19043
TCB Scope
TCB Email
ApplicantRichard B Snyder – President
Applicant Phone
Applicant Fax610 522-9430
Applicant Email[email protected]
Applicant MailStop
Test FirmRadiation Sciences Incorporated
Test Firm ContactDaniel Signore
Test Firm Phone
Test Firm Fax215-256-0775
Test Firm Email
Certified ByRichard B. Snyder – President

© 2026 FCC.report
This site is not affiliated with or endorsed by the FCC