I54-90003

FCC ID

Equipment:

Tiger Electronics Inc -90003

980 Woodlands Parkway, Vernon Hills, IL 60061 United States

Application
Frequency Range
Final Action Date
Granted
iWDkYWeV4zMmLt29+05ddg==
49.82-49.9
2000-01-19
APPROVED
File NameDocument TypeDateDirect
EquipmentTest Report 2000-01-19 00:00:00 pdf
BandwidthTest Report 2000-01-19 00:00:00 jpeg
Test reportTest Report 2000-01-19 00:00:00 pdf
Label locationID Label/Location Info 2000-01-19 00:00:00 jpeg
ID labelID Label/Location Info 2000-01-19 00:00:00 jpeg
appointment letterCover Letter(s) 2000-01-19 00:00:00 jpeg
attestationAttestation Statements 2000-01-19 00:00:00 jpeg
test equipmentTest Report 2000-01-19 00:00:00 pdf
manual 1Users Manual 2000-01-19 00:00:00 jpeg
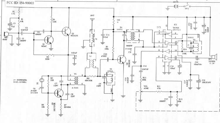
schematicSchematics 2000-01-19 00:00:00 jpeg
parts list 2Parts List/Tune Up Info 2000-01-19 00:00:00 jpeg
parts list 1Parts List/Tune Up Info 2000-01-19 00:00:00 jpeg
internal photo 2Internal Photos 2000-01-19 00:00:00 jpeg
internal photo 1Internal Photos 2000-01-19 00:00:00 jpeg
label locataionID Label/Location Info 2000-01-19 00:00:00 jpeg
external photoExternal Photos 2000-01-19 00:00:00 jpeg
block diagramBlock Diagram 2000-01-19 00:00:00 jpeg

Application Details:

EquipmentDuplex Walkie Talkie
FRN0006061345
Grantee CodeI54
Product Code-90003
Applicant BusinessTiger Electronics Inc
Business Address980 Woodlands Parkway , Vernon Hills,Illinois United States 60061
TCB Scope
TCB Email
ApplicantThomas Tam – Project Manager
Applicant Phone
Applicant Fax852 2725-0328
Applicant Email
Applicant MailStop
Test FirmHong Kong Standards & Testing Cen.
Test Firm ContactWilson Wong
Test Firm Phone
Test Firm Fax852-2664-4353
Test Firm Email[email protected]
Certified ByPatrick Wong – EED Manager

© 2026 FCC.report
This site is not affiliated with or endorsed by the FCC