G9H3-5810

FCC ID

Equipment:

Thomson Inc. 3-5810

101 West 103rd Street, Indianapolis, IN 46290-1102 United States

Application
Frequency Range
Final Action Date
Granted
+GQiGVZDDsCSOBekc9XpNg==
462.5625-467.7125
2000-06-07
APPROVED
File NameDocument TypeDateDirect
Transmitter Alignment ProcedureParts List/Tune Up Info 2000-06-07 00:00:00 pdf
User InstructionsUsers Manual 2000-06-07 00:00:00 pdf
Test ReportTest Report 2000-06-07 00:00:00 pdf
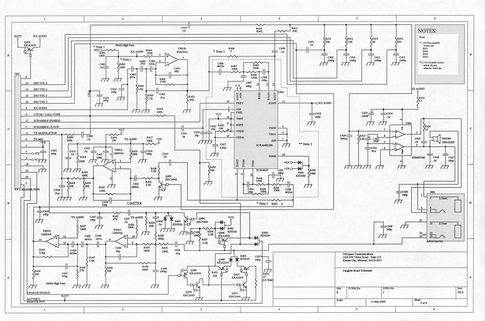
Schematic Diagram 3 of 3Schematics 2000-06-07 00:00:00 jpeg
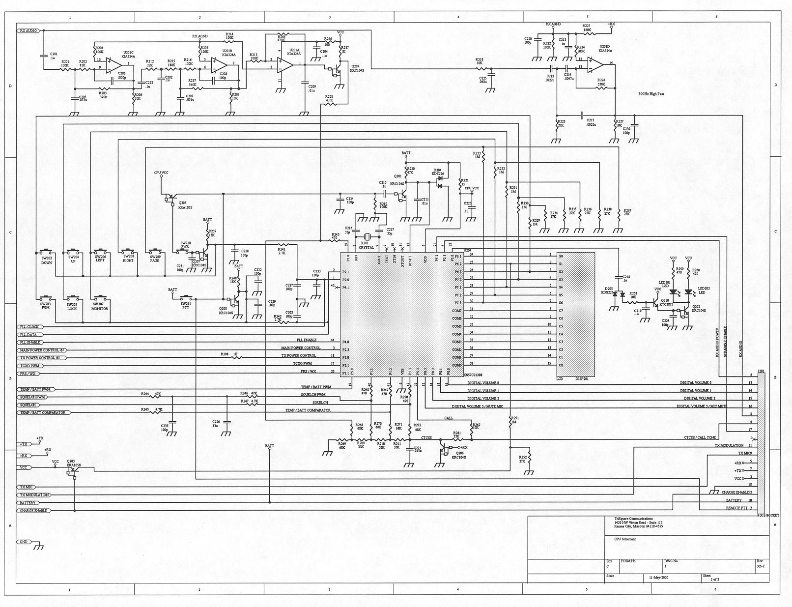
Schematic Diagram 2 of 3Schematics 2000-06-07 00:00:00 jpeg
Schematic Diagram 1 of 3Schematics 2000-06-07 00:00:00 jpeg
System Block DiagramBlock Diagram 2000-06-07 00:00:00 pdf
Internal PhotosInternal Photos 2000-06-07 00:00:00 pdf
External PhotosExternal Photos 2000-06-07 00:00:00 pdf
ID Label and LocationID Label/Location Info 2000-06-07 00:00:00 pdf

Application Details:

EquipmentFace Held Family Radio Transceiver
FRN0014130454
Grantee CodeG9H
Product Code3-5810
Applicant BusinessThomson Inc.
Business Address101 West 103rd Street , Indianapolis,Indiana United States 46290-1102
TCB Scope
TCB Email
ApplicantRoger Hunt – Manager - Product Safety and Regulatory
Applicant Phone
Applicant Fax317-587-6686
Applicant Email[email protected]
Applicant MailStop
Test FirmHyak Laboratories, Inc.
Test Firm ContactRowland Johnson
Test Firm Phone
Test Firm Fax
Test Firm Email
Certified ByRowland S. Johnson – President

© 2026 FCC.report
This site is not affiliated with or endorsed by the FCC