FSUGMZH7

FCC ID

Equipment:

KYE Systems Corp GMZH7

No. 492, Chongxin Rd., Sanchong Dist., New Taipei City 24160, Taiwan (R.O.C.), New Taipei City, N/A 24160 Taiwan

Application
Frequency Range
Final Action Date
Granted
FgqnyJQAAEcv8lWq56qygw==
27.045-27.045
2005-04-06
APPROVED
File NameDocument TypeDateDirect
users manualUsers Manual 2005-04-06 00:00:00 pdf
test setup photosTest Setup Photos 2005-04-06 00:00:00 pdf
test reportTest Report 2005-04-06 00:00:00 pdf
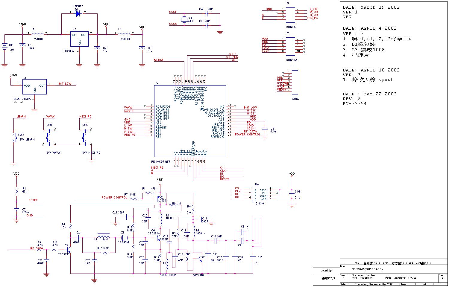
schematicsSchematics 2005-04-06 00:00:00 native
operational descriptionOperational Description 2005-04-06 00:00:00 pdf
internal photos 3Internal Photos 2005-04-06 00:00:00 pdf
internal photos 2Internal Photos 2005-04-06 00:00:00 pdf
internal photos 1Internal Photos 2005-04-06 00:00:00 pdf
label locationID Label/Location Info 2005-04-06 00:00:00 pdf
label sampleID Label/Location Info 2005-04-06 00:00:00 pdf
external photosExternal Photos 2005-04-06 00:00:00 pdf
block diagramBlock Diagram 2005-04-06 00:00:00 pdf

Application Details:

EquipmentWireless Mouse
FRN0005897442
Grantee CodeFSU
Product CodeGMZH7
Applicant BusinessKYE Systems Corp
Business AddressNo. 492, Chongxin Rd., Sanchong Dist., New Taipei City 24160, Taiwan (R.O.C.), New Taipei City,N/A Taiwan 24160
TCB ScopeA1: Low Power Transmitters below 1 GHz (except Spread Spectrum), Unintentional Radiators, EAS (Part 11) & Consumer ISM devices
TCB Email[email protected]
ApplicantP.C. Lee – Section Supervisor
Applicant Phone
Applicant Fax+886-2-2278-9520
Applicant Email[email protected]
Applicant MailStop
Test FirmSpectrum Research & Testing Lab.
Test Firm ContactLinda Chiang
Test Firm Phone
Test Firm Fax886-3-498-6528
Test Firm Email[email protected]
Certified ByM. H. Lee – Section Supervisor

© 2026 FCC.report
This site is not affiliated with or endorsed by the FCC