ELGSHTX

FCC ID

Equipment:

DesignTech International Inc SHTX

7955 Cameron Brown Court, Springfield, VA 22153 United States

Application
Frequency Range
Final Action Date
Granted
9fJPkrWtTVSg2Hs4a0GBSw==
314.0-315.0
2002-01-14
APPROVED
File NameDocument TypeDateDirect
operational descriptionOperational Description 2002-01-14 00:00:00 pdf
internal photo 2jpeg 2002-01-14 00:00:00 jpeg
internal photo 1jpeg 2002-01-14 00:00:00 jpeg
users manualUsers Manual 2002-01-14 00:00:00 pdf
test setup photosjpeg 2002-01-14 00:00:00 jpeg
test reportTest Report 2002-01-14 00:00:00 pdf
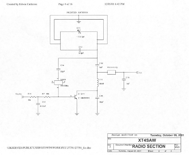
schematics 2jpeg 2002-01-14 00:00:00 jpeg
schematics 1jpeg 2002-01-14 00:00:00 jpeg
block diagramBlock Diagram 2002-01-14 00:00:00 pdf
external photosExternal Photos 2002-01-14 00:00:00 pdf
label locationjpeg 2002-01-14 00:00:00 jpeg
label samplejpeg 2002-01-14 00:00:00 jpeg

Application Details:

EquipmentSecurity R/C Transmitter
FRN0003786449
Grantee CodeELG
Product CodeSHTX
Applicant BusinessDesignTech International Inc
Business Address7955 Cameron Brown Court , Springfield,Virginia United States 22153
TCB ScopeA1: Low Power Transmitters below 1 GHz (except Spread Spectrum), Unintentional Radiators, EAS (Part 11) & Consumer ISM devices
TCB Email[email protected]
ApplicantMark Gottleib –
Applicant Phone
Applicant Fax703-866-2001
Applicant Email
Applicant MailStop
Test FirmCarl T. Jones Corporation
Test Firm ContactCarl Jones
Test Firm Phone
Test Firm Fax1234567890
Test Firm Email[email protected]
Certified ByMark Gottlieb –

© 2026 FCC.report
This site is not affiliated with or endorsed by the FCC