DYYNGT1

FCC ID

Equipment:

Codan Limited NGT1

81 Graves Street, Newton SA, N/A 5074 Australia

Application
Frequency Range
Final Action Date
Granted
u/oW+wLEBf5XIFCm7XfKsw==
1.6-25.0
2001-02-08
APPROVED
u/oW+wLEBf5XIFCm7XfKsw==
25.0-30.0
2001-02-08
APPROVED
File NameDocument TypeDateDirect
Rx IF 455kHz IF Mod DemodSchematics 2001-02-08 00:00:00 jpeg
Rx If Synthesiser ControlSchematics 2001-02-08 00:00:00 jpeg
Rx IFSchematics 2001-02-08 00:00:00 jpeg
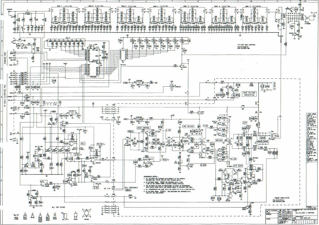
PA Filter and ControlSchematics 2001-02-08 00:00:00 jpeg
Microprocessor Junction BoxSchematics 2001-02-08 00:00:00 jpeg
HandsetSchematics 2001-02-08 00:00:00 jpeg
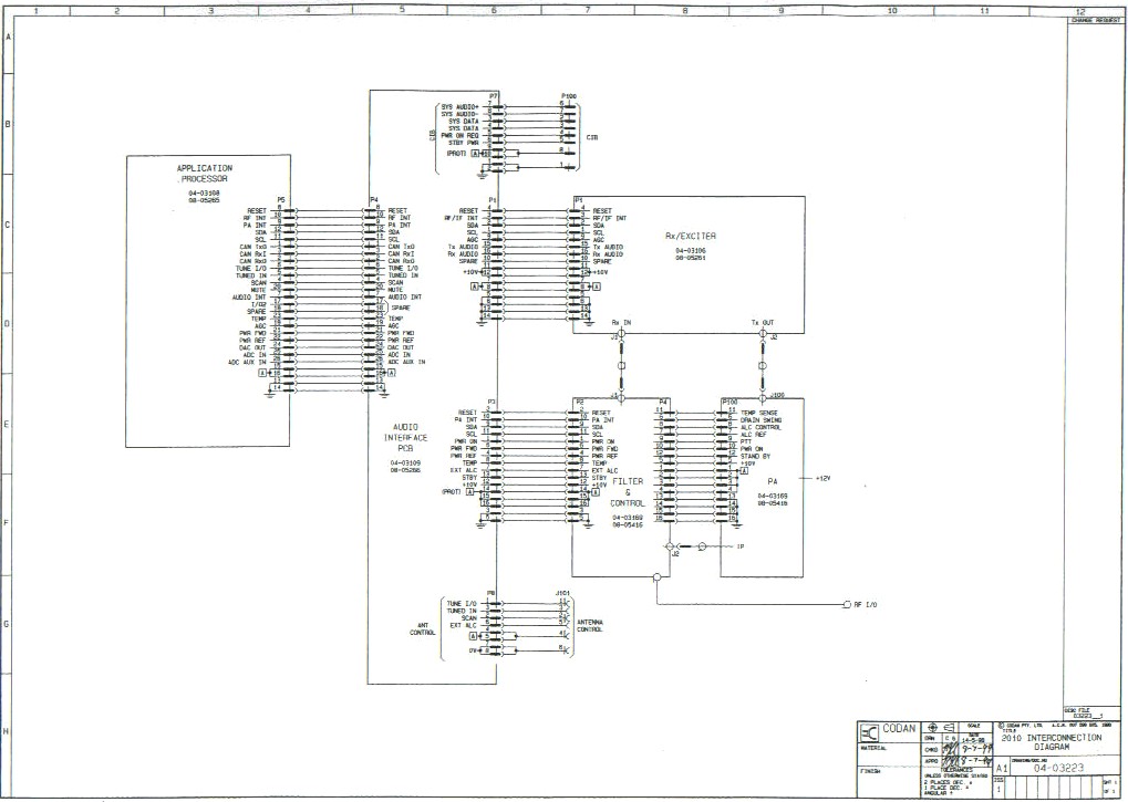
2010 InterconnectionSchematics 2001-02-08 00:00:00 jpeg
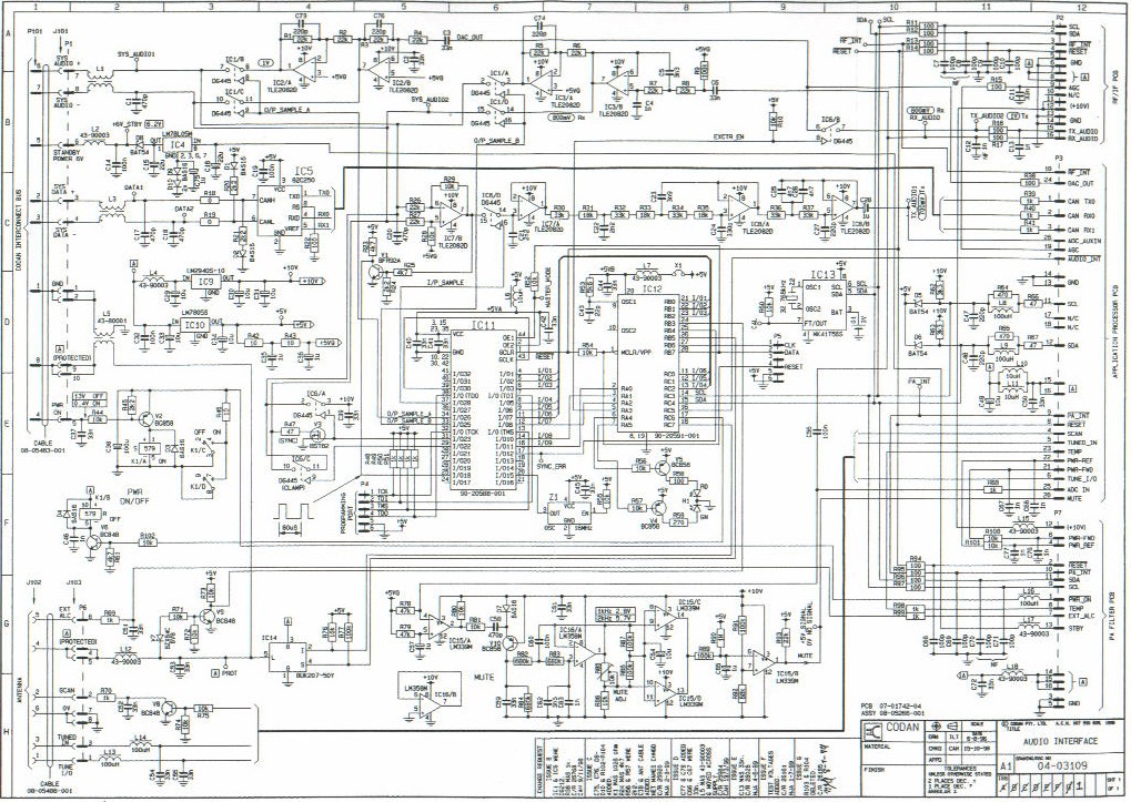
Audio InterfaceSchematics 2001-02-08 00:00:00 jpeg
Audio Junction BoxSchematics 2001-02-08 00:00:00 jpeg
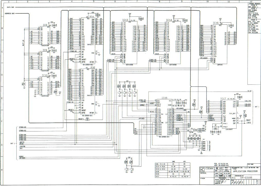
Application Processor 2Schematics 2001-02-08 00:00:00 jpeg
Application Processor 1Schematics 2001-02-08 00:00:00 jpeg
CoversInternal Photos 2001-02-08 00:00:00 jpeg
RF UnitInternal Photos 2001-02-08 00:00:00 pdf
PCB 5Internal Photos 2001-02-08 00:00:00 pdf
PCB 4Internal Photos 2001-02-08 00:00:00 pdf
PCB 3Internal Photos 2001-02-08 00:00:00 pdf
PCB 2Internal Photos 2001-02-08 00:00:00 pdf
PCB 1Internal Photos 2001-02-08 00:00:00 pdf
Exterior PhotosExternal Photos 2001-02-08 00:00:00 pdf
Application Cover LetterCover Letter(s) 2001-02-08 00:00:00 pdf
VR ManualUsers Manual 2001-02-08 00:00:00 pdf
SR ManualUsers Manual 2001-02-08 00:00:00 pdf
Theory of OperationsOperational Description 2001-02-08 00:00:00 pdf
Test ReportTest Report 2001-02-08 00:00:00 pdf
Letter of AuthorityCover Letter(s) 2001-02-08 00:00:00 jpeg
Label LocationID Label/Location Info 2001-02-08 00:00:00 jpeg
LabelID Label/Location Info 2001-02-08 00:00:00 pdf

Application Details:

EquipmentRF Transceiver
FRN0009056581
Grantee CodeDYY
Product CodeNGT-1
Applicant BusinessCodan Limited
Business Address81 Graves Street , Newton SA,N/A Australia 5074
TCB Scope
TCB Email
ApplicantBruce Johnson – RF Design Engineer
Applicant Phone
Applicant Fax61 8 8305 0411
Applicant Email[email protected]
Applicant MailStop
Test FirmWashington Laboratories, Ltd.
Test Firm ContactMichael Violette
Test Firm Phone
Test Firm Fax301-417-9069
Test Firm Email[email protected]
Certified ByGregory M. Snyder – Chief Engineer

© 2026 FCC.report
This site is not affiliated with or endorsed by the FCC