CFSQ2260SN

FCC ID

Equipment:

Honeywell International Inc. Q2260SN

2 Corporate Center Drive Suite 100, Melville, NY 11747 United States

Application
Frequency Range
Final Action Date
Granted
wMHl7+v/zN+U0yIGmBCV8g==
10.525-10.525
2001-03-13
APPROVED
File NameDocument TypeDateDirect
Exhibit C Test setup photographs RE and CETest Setup Photos 2001-03-13 00:00:00 pdf
Exhibit E Test measurement report per 2 1033 b 6jpeg 2001-03-13 00:00:00 jpeg
Exhibit D Users manual per 2 1033 b 3Users Manual 2001-03-13 00:00:00 pdf
Exhibit C Internal photographs per 2 1033 b 7Internal Photos 2001-03-13 00:00:00 pdf
Exhibit C External photographs per 2 1033 b 7External Photos 2001-03-13 00:00:00 pdf
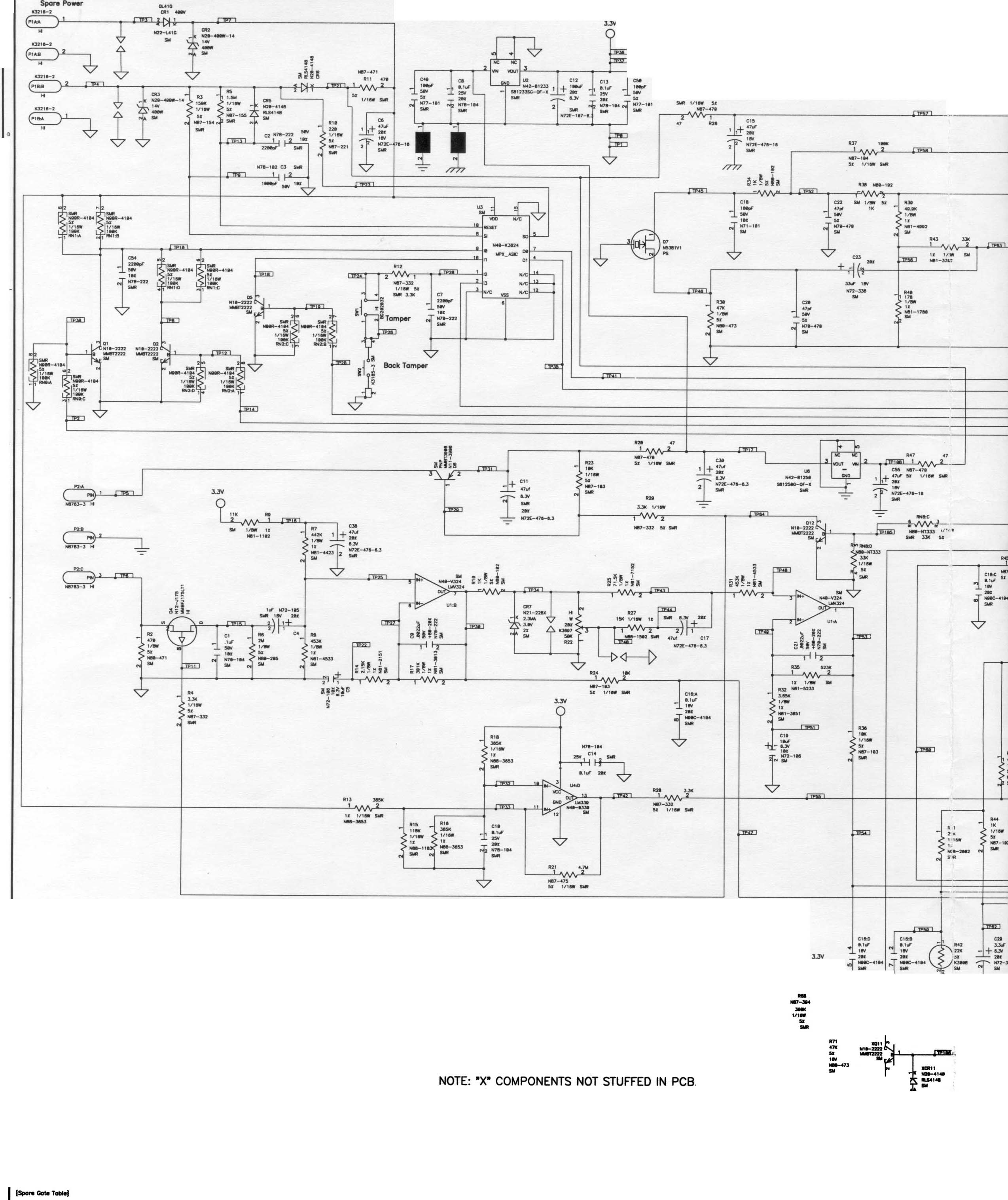
Exhibit B Schematics per 2 1033 b 5jpeg 2001-03-13 00:00:00 jpeg
Exhibit B Block Diagram per 2 1033 b 5Block Diagram 2001-03-13 00:00:00 pdf
Exhibit B Operational description per 2 1033 b 4Operational Description 2001-03-13 00:00:00 pdf
Exhibit A FCC ID Label and Location per 2 1033 2 1033 b 2 and 2 926ID Label/Location Info 2001-03-13 00:00:00 pdf

Application Details:

EquipmentMicrowave/PIR Polling Loop Motion Sensor
FRN0004071130
Grantee CodeCFS
Product CodeQ2260SN
Applicant BusinessHoneywell International Inc.
Business Address2 Corporate Center Drive Suite 100, Melville,New York United States 11747
TCB ScopeA1: Low Power Transmitters below 1 GHz (except Spread Spectrum), Unintentional Radiators, EAS (Part 11) & Consumer ISM devices
TCB Email[email protected]
ApplicantMark Schmidt – Manager, Engineering
Applicant Phone
Applicant Fax516-577-3542
Applicant Email[email protected]
Applicant MailStop
Test FirmRetlif Testing Laboratories
Test Firm ContactMichael Bozza
Test Firm Phone 19
Test Firm Fax631-737-1497
Test Firm Email[email protected]
Certified BySteve Amodeo – VP Product Assurance

© 2026 FCC.report
This site is not affiliated with or endorsed by the FCC