Toggle navigation
FCC.report
IBFS
ELS
FCC ID
Contact
About
BFVTFY3820T
FCC ID
Equipment:
Golden Eagle Electronics Manufactory Ltd TFY3820T
Suite 215, 2/F, New East Ocean Centre 9 Science Museum Road, Tsim Sha Tsui East, Kowloon, N/A N/A Hong Kong
FCC.report
›
FCC ID
›
Golden Eagle Electronics Manufactory Ltd
›
BFVTFY3820T
Application
Frequency Range
Final Action Date
Granted
S1Wy+0kT4iC7pqbr8V5sdQ==
49.829-49.86
1999-11-22
APPROVED
File Name
Document Type
Date
Direct
Manual 4
Users Manual
1999-11-22 00:00:00
jpeg
Manual 3
Users Manual
1999-11-22 00:00:00
jpeg
Manual 2
Users Manual
1999-11-22 00:00:00
jpeg
Manual 1
Users Manual
1999-11-22 00:00:00
jpeg
Bandwidth B
Test Report
1999-11-22 00:00:00
jpeg
Bandwidth A
Test Report
1999-11-22 00:00:00
jpeg
Equipment List
Test Report
1999-11-22 00:00:00
pdf
Test report
Test Report
1999-11-22 00:00:00
pdf
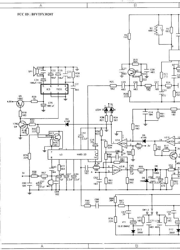
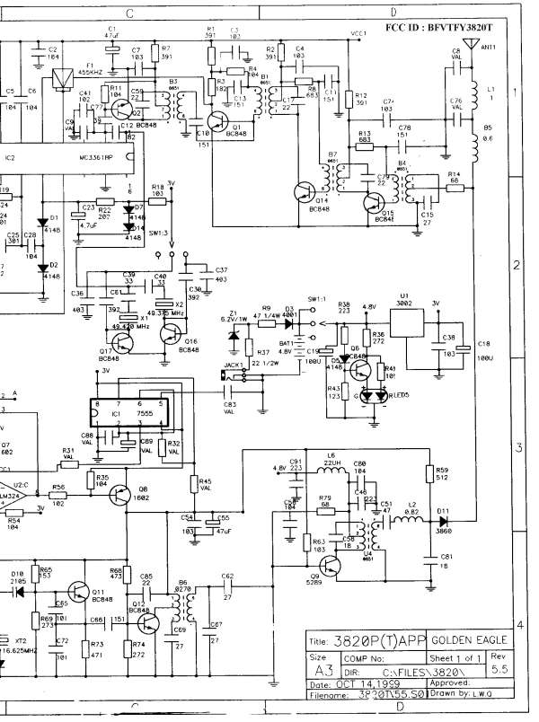
Circuit 2
Schematics
1999-11-22 00:00:00
jpeg
Circuit 1
Schematics
1999-11-22 00:00:00
jpeg
Circuit
Schematics
1999-11-22 00:00:00
jpeg
Parts list 3
Parts List/Tune Up Info
1999-11-22 00:00:00
jpeg
Parts list 2
Parts List/Tune Up Info
1999-11-22 00:00:00
jpeg
Parts list 1
Parts List/Tune Up Info
1999-11-22 00:00:00
jpeg
Internal photo 2
Internal Photos
1999-11-22 00:00:00
jpeg
Internal photo 1
Internal Photos
1999-11-22 00:00:00
jpeg
Photo with FCC ID
ID Label/Location Info
1999-11-22 00:00:00
jpeg
FCC ID label
ID Label/Location Info
1999-11-22 00:00:00
jpeg
External photo
External Photos
1999-11-22 00:00:00
jpeg
Appointment Letter
Cover Letter(s)
1999-11-22 00:00:00
jpeg
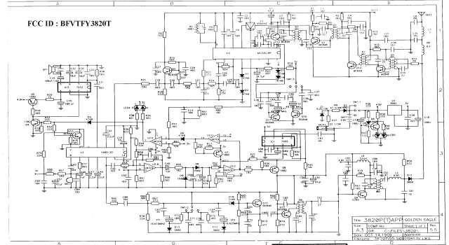
Block diagram
Block Diagram
1999-11-22 00:00:00
jpeg
Attestation
Attestation Statements
1999-11-22 00:00:00
jpeg
Application Details:
Equipment
Talkback Baby Monitor
FRN
9999999999
Grantee Code
BFV
Product Code
TFY3820T
Applicant Business
Golden Eagle Electronics Manufactory Ltd
Business Address
Suite 215, 2/F, New East Ocean Centre 9 Science Museum Road, Tsim Sha Tsui East, Kowloon,N/A Hong Kong
TCB Scope
TCB Email
Applicant
Patrick Lo –
Applicant Phone
Applicant Fax
011 852-2411-2138
Applicant Email
Applicant MailStop
Test Firm
Hong Kong Standards & Testing Cen.
Test Firm Contact
Wilson Wong
Test Firm Phone
Test Firm Fax
852-2664-4353
Test Firm Email
[email protected]
Certified By
Patrick Wong – EED Manager
© 2026 FCC.report
This site is not affiliated with or endorsed by the FCC