BBOPR330C

FCC ID

Equipment:

Cobra Electronics Corporation PR330C

6500 West Cortland Street, Chicago, IL 60707 United States

Application
Frequency Range
Final Action Date
Granted
qz/gYw2T0TcuuoPTSfF+CA==
462.55-462.725
2002-07-11
APPROVED
qz/gYw2T0TcuuoPTSfF+CA==
467.5625-467.7125
2002-07-11
APPROVED
File NameDocument TypeDateDirect
Transmitter Alignment Procedurejpeg 2002-07-11 00:00:00 jpeg
Schematic Diagramjpeg 2002-07-11 00:00:00 jpeg
Test Setup Photojpeg 2002-07-11 00:00:00 jpeg
User InstructionsUsers Manual 2002-07-11 00:00:00 pdf
Test ReportTest Report 2002-07-11 00:00:00 pdf
ID Label Locationjpeg 2002-07-11 00:00:00 jpeg
FCC ID Labeljpeg 2002-07-11 00:00:00 jpeg
External PhotosExternal Photos 2002-07-11 00:00:00 pdf
Circuit Board Track Sidejpeg 2002-07-11 00:00:00 jpeg
Circuit Board Component Sidejpeg 2002-07-11 00:00:00 jpeg
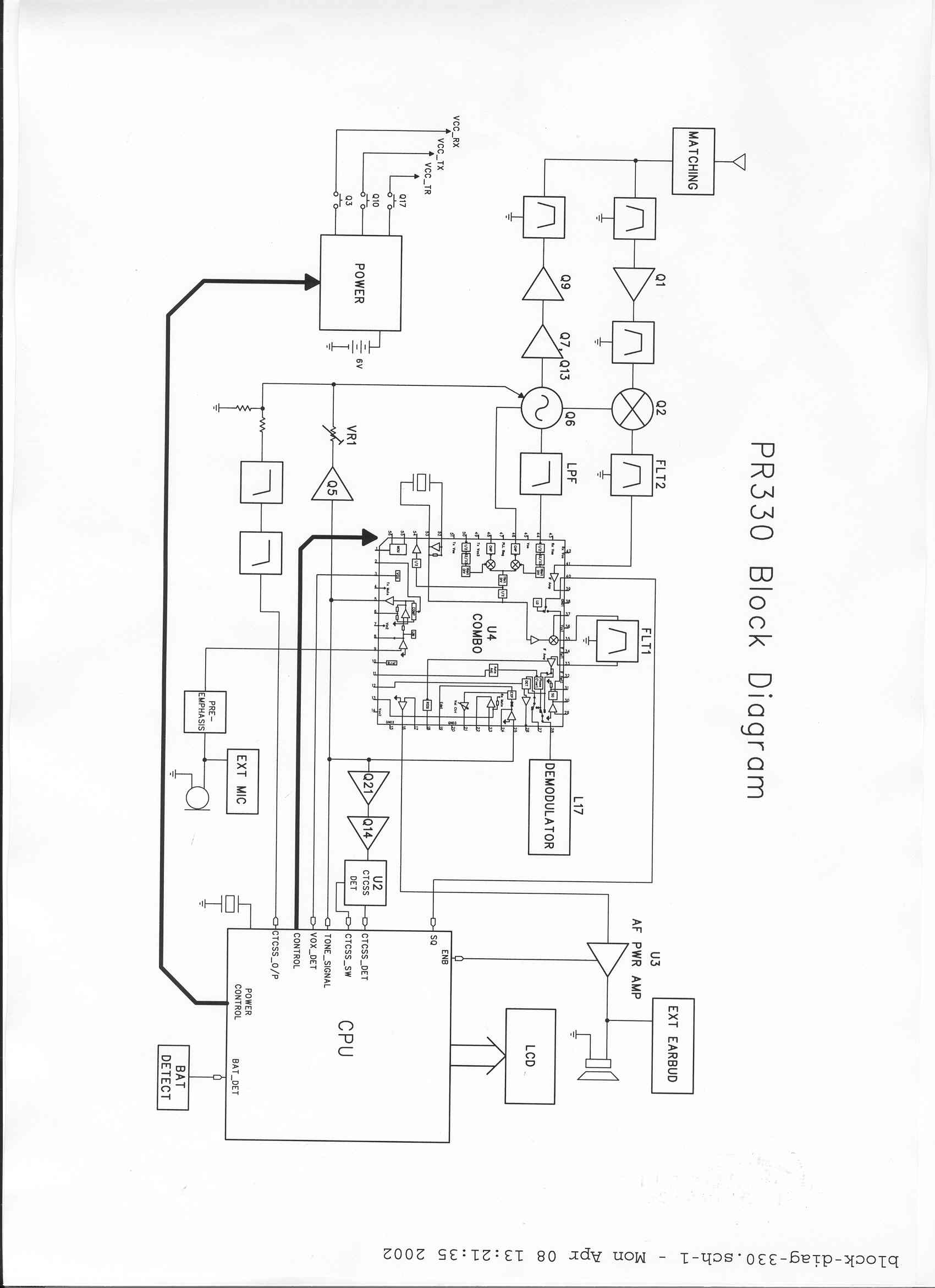
Block Diagramjpeg 2002-07-11 00:00:00 jpeg

Application Details:

EquipmentFRS/GMRS Transceiver
FRN0004374997
Grantee CodeBBO
Product CodePR330C
Applicant BusinessCobra Electronics Corporation
Business Address6500 West Cortland Street , Chicago,Illinois United States 60707
TCB Scope
TCB Email
ApplicantChris de Waal – Senior Project Engineer
Applicant Phone
Applicant Fax773-889-1622
Applicant Email[email protected]
Applicant MailStop
Test FirmCarl T. Jones Corporation
Test Firm ContactCarl Jones
Test Firm Phone
Test Firm Fax1234567890
Test Firm Email[email protected]
Certified ByRowland S. Johnson – President

© 2026 FCC.report
This site is not affiliated with or endorsed by the FCC