BBOFRS235C

FCC ID

Equipment:

Cobra Electronics Corporation FRS235C

6500 West Cortland Street, Chicago, IL 60707 United States

Application
Frequency Range
Final Action Date
Granted
vAUTDb5HcmNKjxHKjPGK3A==
462.5625-467.7125
2002-02-15
APPROVED
File NameDocument TypeDateDirect
RF Exposure InfoRF Exposure Info 2002-02-15 00:00:00 pdf
Users InstructionsUsers Manual 2002-02-15 00:00:00 pdf
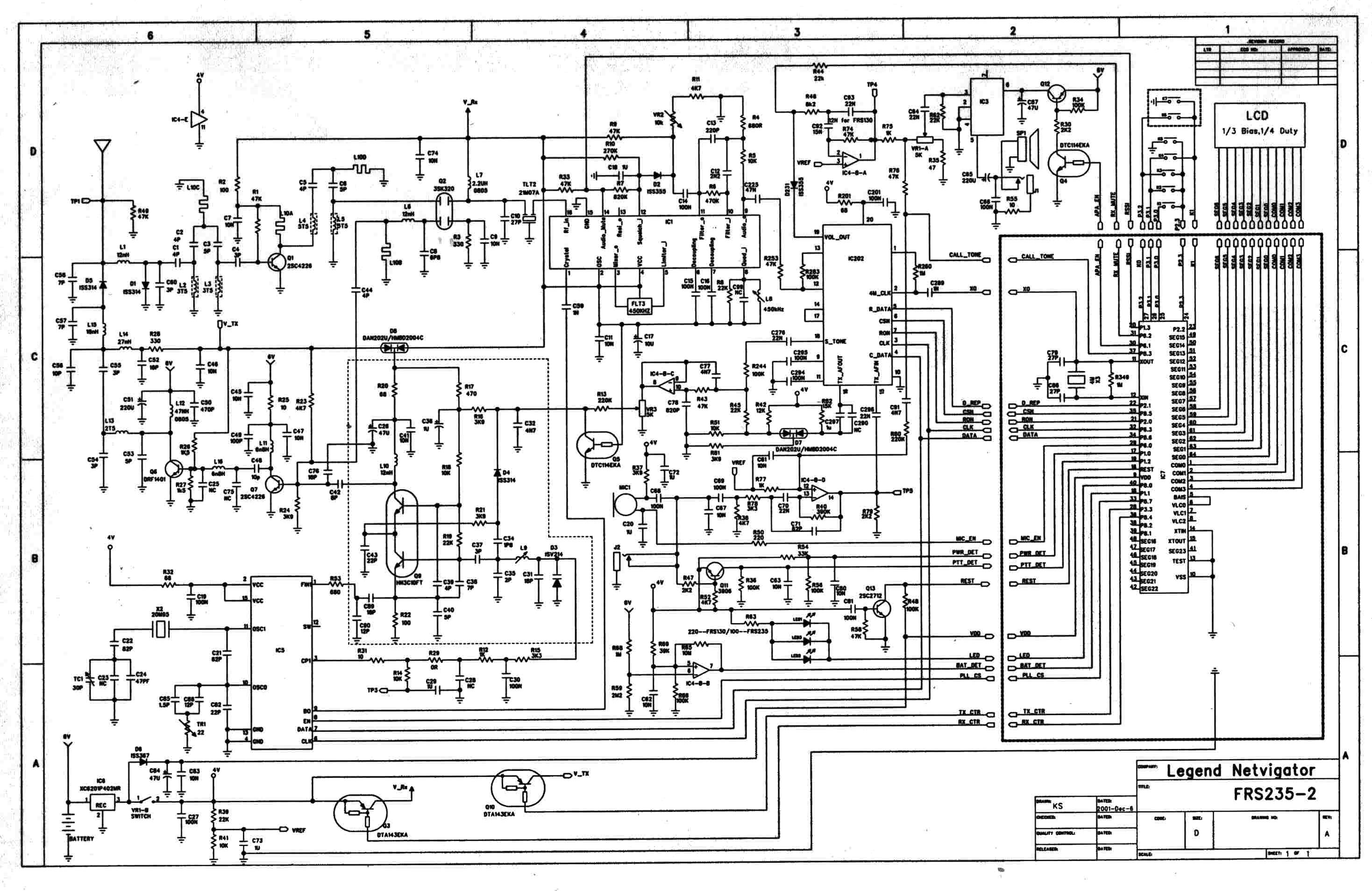
Schematic Diagramjpeg 2002-02-15 00:00:00 jpeg
Alignment ProcedureOperational Description 2002-02-15 00:00:00 pdf
Block Diagramjpeg 2002-02-15 00:00:00 jpeg
External PhotosExternal Photos 2002-02-15 00:00:00 pdf
Internal PhotosInternal Photos 2002-02-15 00:00:00 pdf
ID Label Locationjpeg 2002-02-15 00:00:00 jpeg
ID Labeljpeg 2002-02-15 00:00:00 jpeg
Test ReportTest Report 2002-02-15 00:00:00 pdf

Application Details:

EquipmentFace Held FRS Transceiver
FRN0004374997
Grantee CodeBBO
Product CodeFRS235C
Applicant BusinessCobra Electronics Corporation
Business Address6500 West Cortland Street , Chicago,Illinois United States 60707
TCB Scope
TCB Email
ApplicantChris de Waal – Senior Project Engineer
Applicant Phone
Applicant Fax773-889-1622
Applicant Email[email protected]
Applicant MailStop
Test FirmCarl T. Jones Corporation
Test Firm ContactCarl Jones
Test Firm Phone
Test Firm Fax1234567890
Test Firm Email[email protected]
Certified ByRowland S. Johnson – Authorized Agent

© 2026 FCC.report
This site is not affiliated with or endorsed by the FCC