APB95338-00A2T

FCC ID

Equipment:

Mattel Toys A Division of Mattel Inc 95338-00A2T

333 Continental Blvd, El Segundo, CA 90245-5012 United States

Application
Frequency Range
Final Action Date
Granted
Tt9/xBZpDG2Zcy9/BZDAQw==
27.145-27.145
2001-06-12
APPROVED
File NameDocument TypeDateDirect
User ManualUsers Manual 2001-06-12 00:00:00 pdf
Test Setup PhotosTest Setup Photos 2001-06-12 00:00:00 pdf
Test ReportTest Report 2001-06-12 00:00:00 pdf
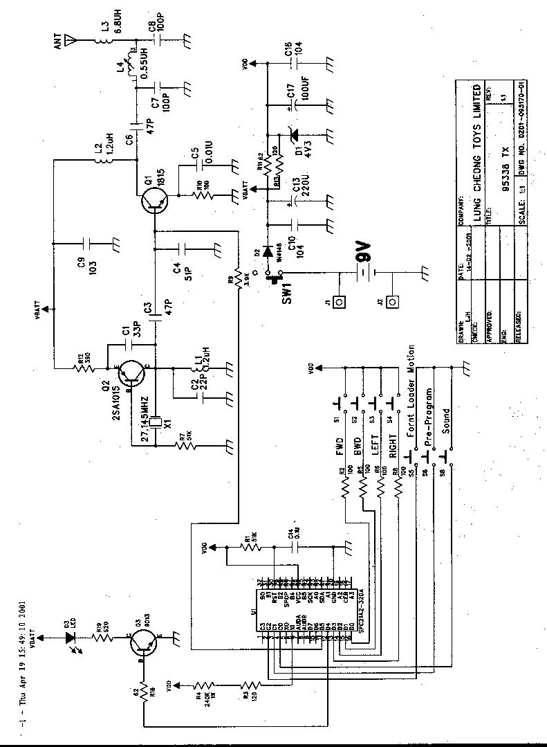
Schematic Diagramjpeg 2001-06-12 00:00:00 jpeg
Operational Descriptionjpeg 2001-06-12 00:00:00 jpeg
FCC ID label format and locationID Label/Location Info 2001-06-12 00:00:00 pdf
Internal PhotosInternal Photos 2001-06-12 00:00:00 pdf
External PhotoExternal Photos 2001-06-12 00:00:00 pdf
Block Diagramjpeg 2001-06-12 00:00:00 jpeg

Application Details:

EquipmentRadio Control Transmitter
FRN0006850614
Grantee CodeAPB
Product Code95338-00A2T
Applicant BusinessMattel Toys A Division of Mattel Inc
Business Address333 Continental Blvd , El Segundo,California United States 90245-5012
TCB ScopeA1: Low Power Transmitters below 1 GHz (except Spread Spectrum), Unintentional Radiators, EAS (Part 11) & Consumer ISM devices
TCB Email[email protected]
ApplicantVladimir Sosnovsky – Senior Electronic Engineer
Applicant Phone
Applicant Fax310 252-2862
Applicant Email
Applicant MailStop
Test FirmCompliance Certification Services Inc
Test Firm ContactSteve Cheng
Test Firm Phone 110
Test Firm Fax408-463-0888
Test Firm Email[email protected]
Certified BySteve Cheng – EMC Manager

© 2025 FCC.report
This site is not affiliated with or endorsed by the FCC