APB88238-00A2T

FCC ID

Equipment:

Mattel Toys A Division of Mattel Inc 88238-00A2T

333 Continental Blvd, El Segundo, CA 90245-5012 United States

Application
Frequency Range
Final Action Date
Granted
KknzpdftHhFErqlctK+5AQ==
27.0-27.0
2000-06-23
APPROVED
File NameDocument TypeDateDirect
setup photoTest Setup Photos 2000-06-23 00:00:00 pdf
operational descriptionOperational Description 2000-06-23 00:00:00 pdf
block diagramBlock Diagram 2000-06-23 00:00:00 jpeg
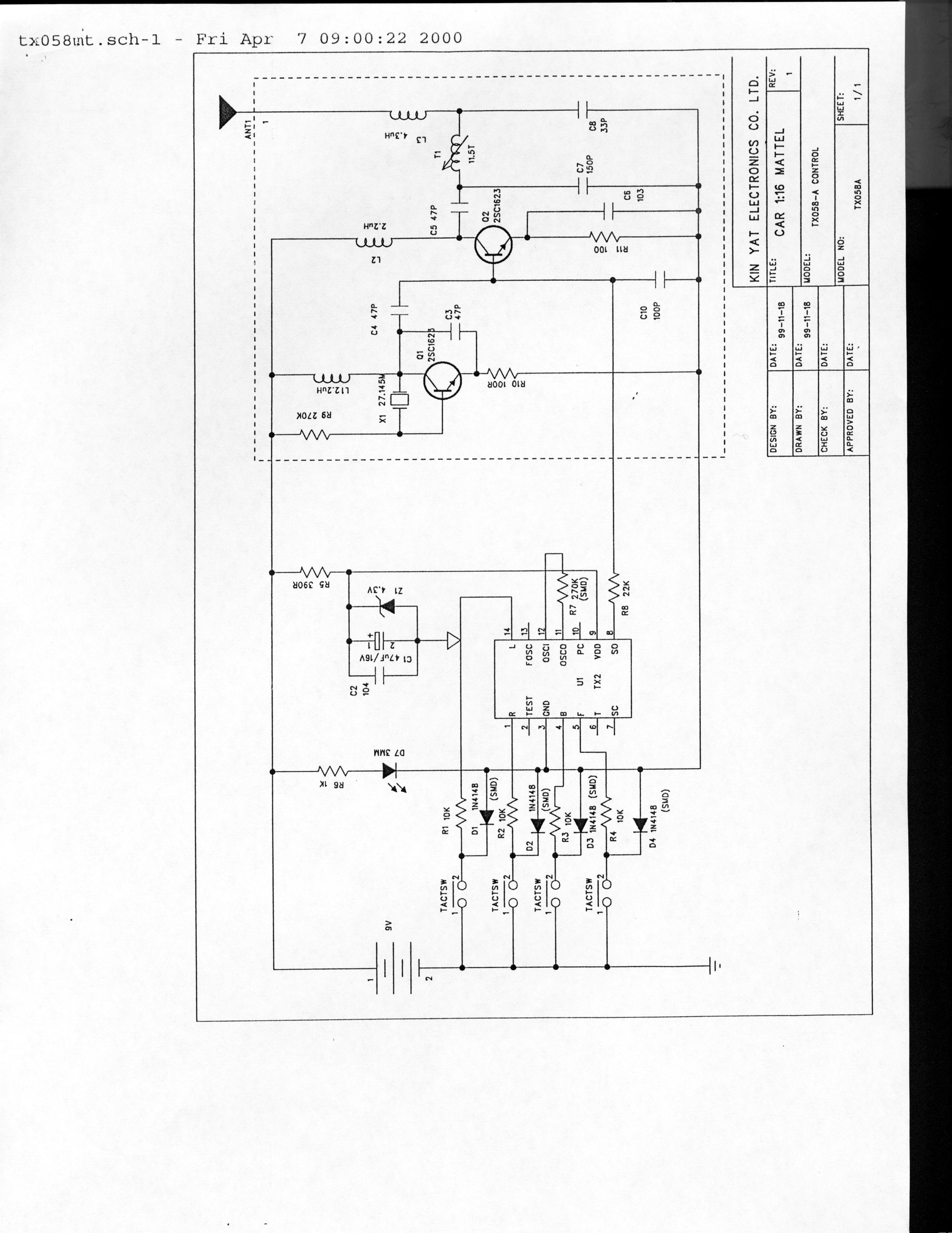
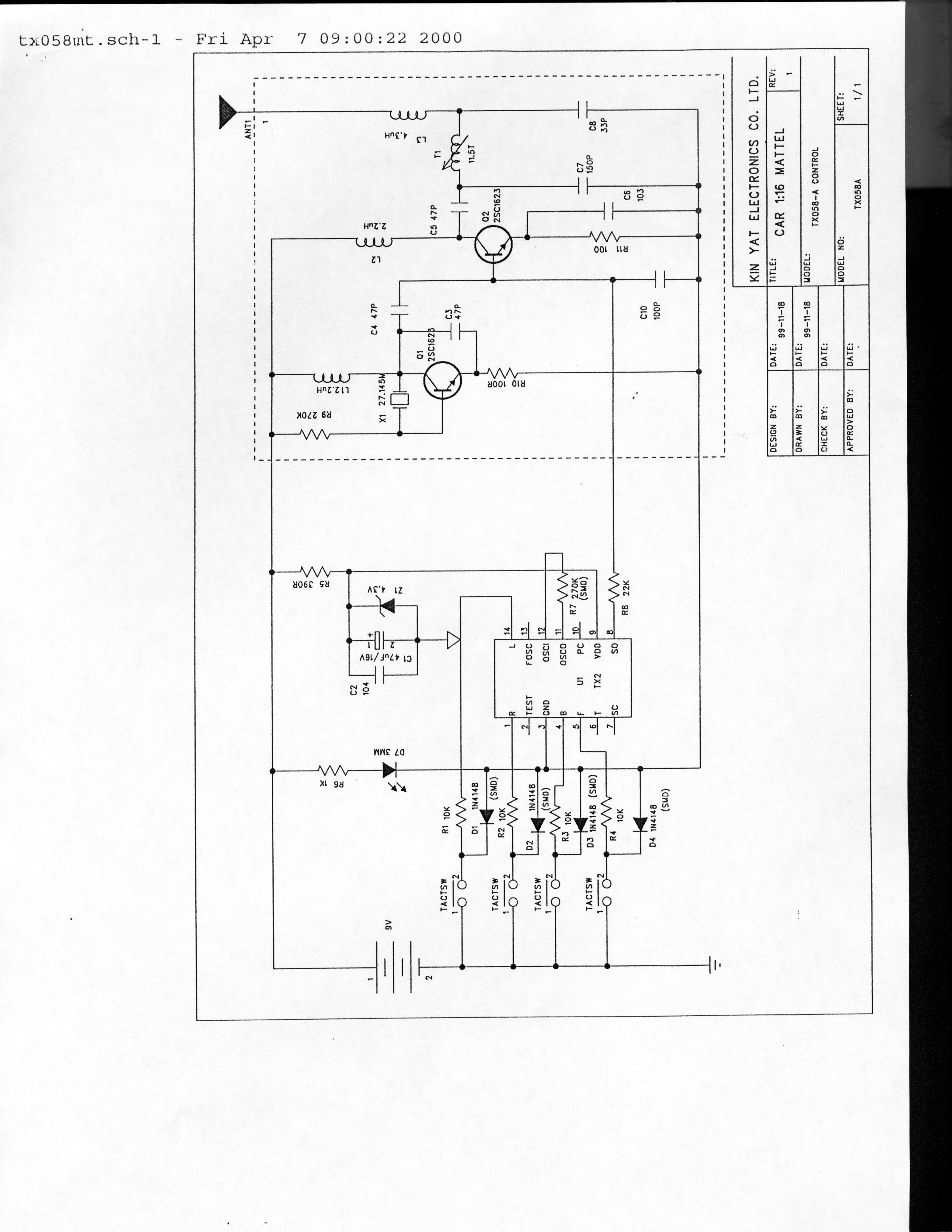
Schematic DiagramSchematics 2000-06-23 00:00:00 jpeg
Test Data 3 of 3Test Report 2000-06-23 00:00:00 jpeg
Test Data 2 of 3Test Report 2000-06-23 00:00:00 jpeg
Test Data 1 of 3Test Report 2000-06-23 00:00:00 jpeg
Test Data Plot 1 of 1Test Report 2000-06-23 00:00:00 jpeg
Test ReportTest Report 2000-06-23 00:00:00 pdf
User ManualUsers Manual 2000-06-23 00:00:00 pdf
SchematicsSchematics 2000-06-23 00:00:00 jpeg
Fcc ID label and locatoinID Label/Location Info 2000-06-23 00:00:00 pdf
Internal PhotosInternal Photos 2000-06-23 00:00:00 pdf
External PhotosExternal Photos 2000-06-23 00:00:00 pdf

Application Details:

EquipmentRemote control car transmitter
FRN0006850614
Grantee CodeAPB
Product Code88238-00A2T
Applicant BusinessMattel Toys A Division of Mattel Inc
Business Address333 Continental Blvd , El Segundo,California United States 90245-5012
TCB ScopeA1: Low Power Transmitters below 1 GHz (except Spread Spectrum), Unintentional Radiators, EAS (Part 11) & Consumer ISM devices
TCB Email[email protected]
ApplicantVladimir Sosnovsky – Senior Electronic Engineer
Applicant Phone
Applicant Fax310 252-2862
Applicant Email
Applicant MailStop
Test FirmCompliance Certification Services Inc
Test Firm ContactSteve Cheng
Test Firm Phone 110
Test Firm Fax408-463-0888
Test Firm Email[email protected]
Certified ByTom Cokenias – Director of Engineering

© 2025 FCC.report
This site is not affiliated with or endorsed by the FCC