Toggle navigation
FCC.report
IBFS
ELS
FCC ID
Contact
About
AMPJ71E
FCC ID
Equipment:
Jean Co Ltd J71E
7F, 2, Rei Kuang Road, Nei Hu, Taipei, N/A N/A Taiwan
FCC.report
›
FCC ID
›
Jean Co Ltd
›
AMPJ71E
Application
Frequency Range
Final Action Date
Granted
PchrOXPrMTfnyqrqYlTdPw==
-
1999-12-29
APPROVED
File Name
Document Type
Date
Direct
INTERNAL PHOTOS OF EUT
Internal Photos
1999-12-29 00:00:00
pdf
Exhibit 7 The user manual of EUT
Users Manual
1999-12-29 00:00:00
pdf
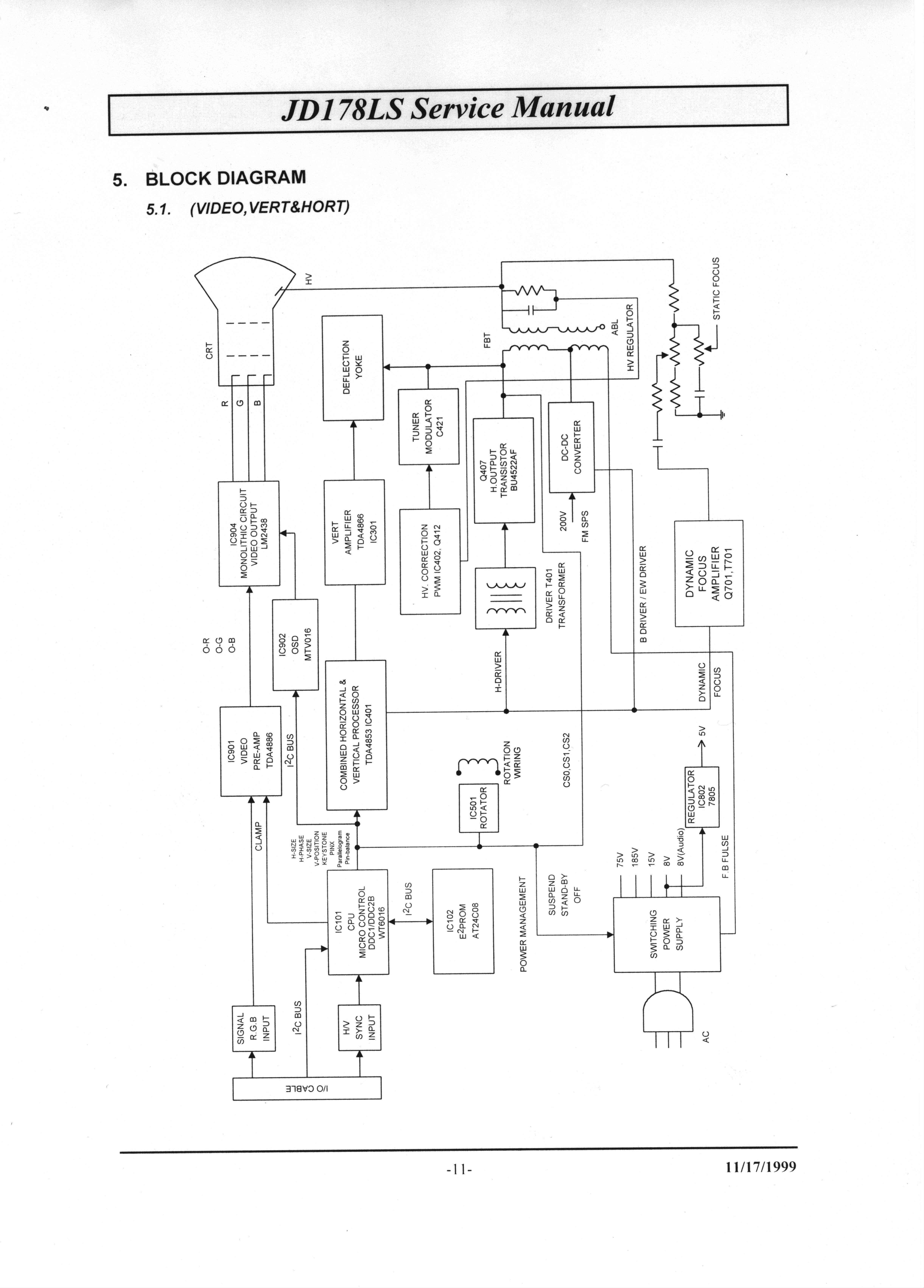
Exhibit 6 The block diagram and Schematic Diagram of EUT Part 3 of 3
Schematics
1999-12-29 00:00:00
jpeg
Exhibit 6 The block diagram and Schematic Diagram of EUT Part 2 of 3
Block Diagram
1999-12-29 00:00:00
jpeg
Exhibit 6 The block diagram and Schematic Diagram of EUT Part 1 of 3
Block Diagram
1999-12-29 00:00:00
jpeg
Exhibit 4 The RFI EMI test Report and test setup photo
Test Report
1999-12-29 00:00:00
pdf
Exhibit 3 The modification List Letter signed by the applicant
Parts List/Tune Up Info
1999-12-29 00:00:00
pdf
Exhibit 2 The FCC label of EUT
ID Label/Location Info
1999-12-29 00:00:00
jpeg
Exhibit 1 The Authorization Letter signed by the applicant
Attestation Statements
1999-12-29 00:00:00
pdf
Application Letter
Attestation Statements
1999-12-29 00:00:00
pdf
Application Details:
Equipment
Color Monitor
FRN
0005845573
Grantee Code
AMP
Product Code
J71E
Applicant Business
Jean Co Ltd
Business Address
7F, 2, Rei Kuang Road , Nei Hu, Taipei,N/A Taiwan
TCB Scope
TCB Email
Applicant
Tony Tsai – Senior Manager of R&D; Electrical
Applicant Phone
Applicant Fax
886 2 8792-1166
Applicant Email
Applicant MailStop
Test Firm
Bureau Veritas CPS (H.K.) Ltd. Taoyuan Branch
Test Firm Contact
Richard Chen
Test Firm Phone
Test Firm Fax
(02)2605-2943
Test Firm Email
[email protected]
Certified By
Mike Su – Manager
© 2026 FCC.report
This site is not affiliated with or endorsed by the FCC