AEKA02849R

FCC ID

Equipment:

Taiyo Co., Ltd. A02849R

Fukokuseimei Bldg. 6F, No. 1-2-11, Kaminarimon, Taito-Ku, Tokyo, N/A 111-0034 Japan

Application
Frequency Range
Final Action Date
Granted
ODr+ILvKz89R1AG3gpDjmw==
49.82-49.9
2000-09-12
APPROVED
File NameDocument TypeDateDirect
operational descriptionOperational Description 2000-09-12 00:00:00 pdf
parts list 2 of 2Parts List/Tune Up Info 2000-09-12 00:00:00 jpeg
parts list 1 of 2Parts List/Tune Up Info 2000-09-12 00:00:00 jpeg
pcb card layout both sidesInternal Photos 2000-09-12 00:00:00 jpeg
solder sideInternal Photos 2000-09-12 00:00:00 jpeg
component sideInternal Photos 2000-09-12 00:00:00 jpeg
internal constructionInternal Photos 2000-09-12 00:00:00 jpeg
manual 2 of 2Users Manual 2000-09-12 00:00:00 jpeg
manual 1 of 2Users Manual 2000-09-12 00:00:00 jpeg
test set up photoTest Setup Photos 2000-09-12 00:00:00 jpeg
radiation data sheetTest Report 2000-09-12 00:00:00 pdf
spectral scan plot 6 of 6Test Report 2000-09-12 00:00:00 jpeg
spectral scan plot 5 of 6Test Report 2000-09-12 00:00:00 jpeg
spectral scan plot 4 of 6Test Report 2000-09-12 00:00:00 jpeg
spectral scan plot 3 of 6Test Report 2000-09-12 00:00:00 jpeg
spectral scan plot 2 of 6Test Report 2000-09-12 00:00:00 jpeg
spectral scan plot 1 of 6Test Report 2000-09-12 00:00:00 jpeg
measurement reportTest Report 2000-09-12 00:00:00 pdf
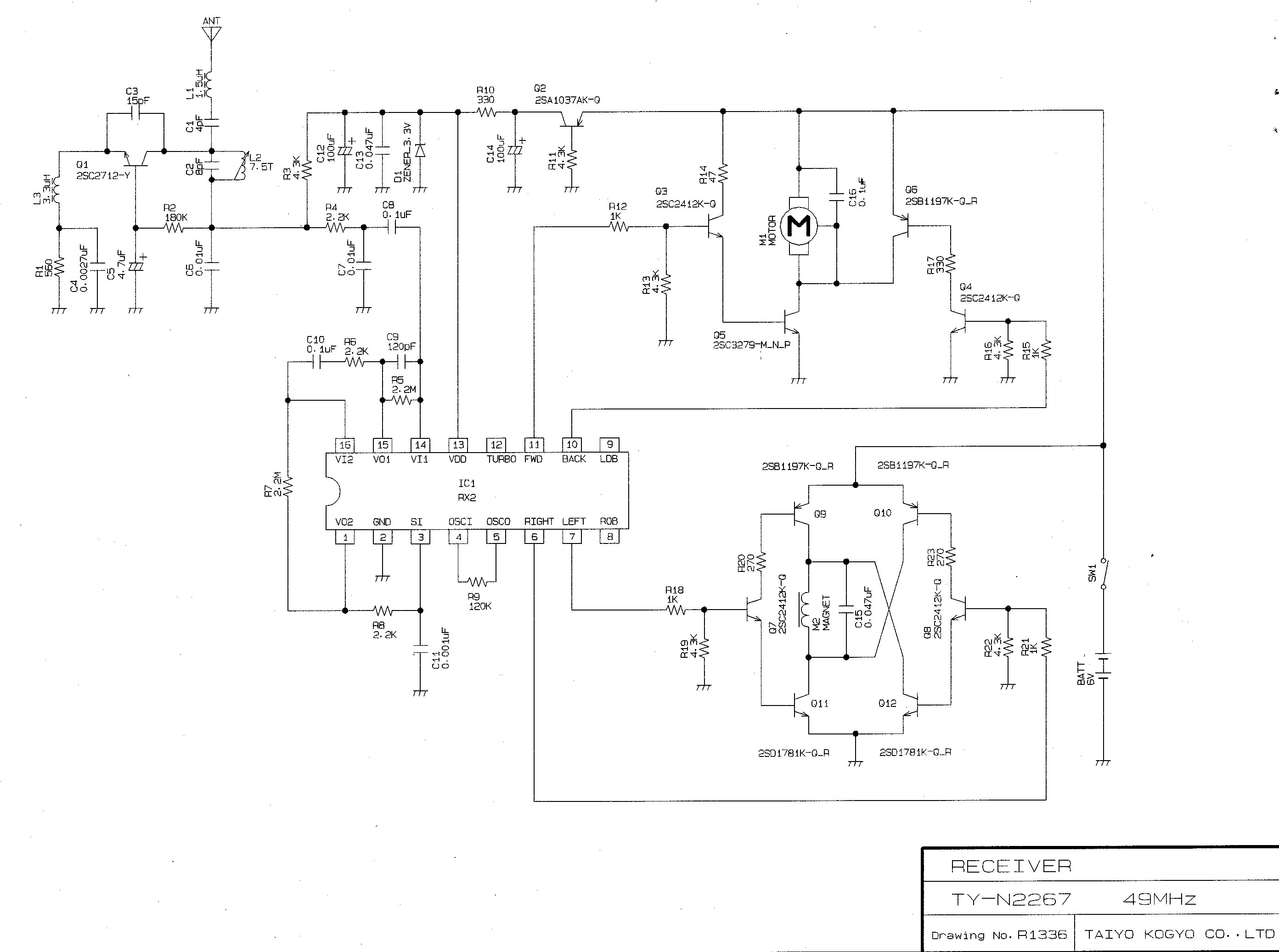
schematic diagramSchematics 2000-09-12 00:00:00 jpeg
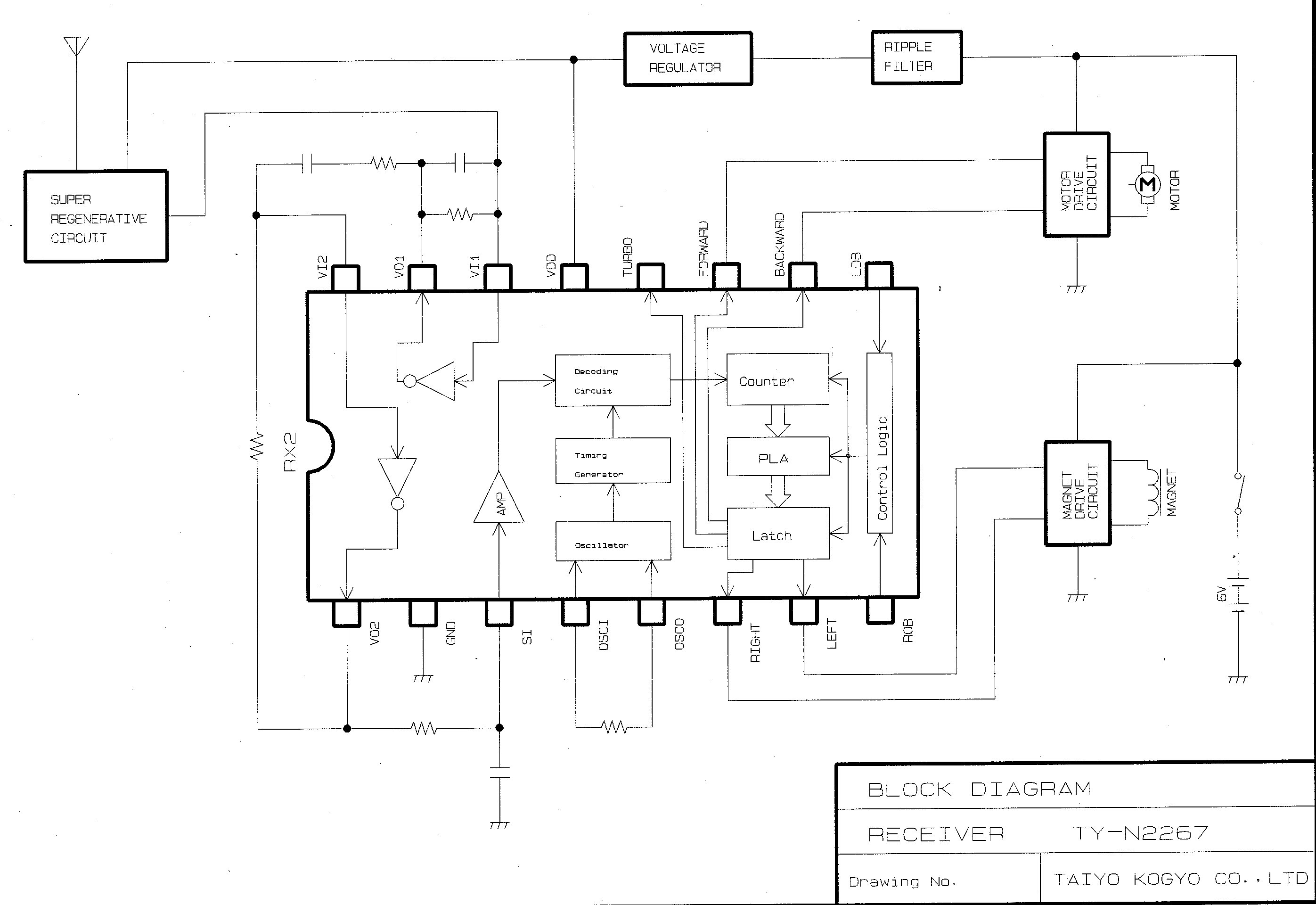
block diagramBlock Diagram 2000-09-12 00:00:00 jpeg
rearExternal Photos 2000-09-12 00:00:00 jpeg
frontExternal Photos 2000-09-12 00:00:00 jpeg
authorization letter and anti drug statementAttestation Statements 2000-09-12 00:00:00 jpeg
CTJC statementAttestation Statements 2000-09-12 00:00:00 pdf
label locationID Label/Location Info 2000-09-12 00:00:00 jpeg
label sampleID Label/Location Info 2000-09-12 00:00:00 jpeg

Application Details:

EquipmentR/C Receiver - The Typhoon
FRN0005882246
Grantee CodeAEK
Product CodeA02849R
Applicant BusinessTaiyo Co., Ltd.
Business AddressFukokuseimei Bldg. 6F, No. 1-2-11, Kaminarimon , Taito-Ku, Tokyo,N/A Japan 111-0034
TCB ScopeA1: Low Power Transmitters below 1 GHz (except Spread Spectrum), Unintentional Radiators, EAS (Part 11) & Consumer ISM devices
TCB Email[email protected]
ApplicantHiroyuki Sasaki – Manager of Quality Assurance Section
Applicant Phone
Applicant Fax81-237-49-1115
Applicant Email[email protected]
Applicant MailStop
Test FirmCarl T. Jones Corporation
Test Firm ContactCarl Jones
Test Firm Phone
Test Firm Fax1234567890
Test Firm Email[email protected]
Certified ByYoshinori Ishiyama – Marketing Operator

© 2026 FCC.report
This site is not affiliated with or endorsed by the FCC