Toggle navigation
FCC.report
IBFS
ELS
FCC ID
Contact
About
AEK992627
FCC ID
Equipment:
Taiyo Co., Ltd. 992627
Fukokuseimei Bldg. 6F, No. 1-2-11, Kaminarimon, Taito-Ku, Tokyo, N/A 111-0034 Japan
FCC.report
›
FCC ID
›
Taiyo Co., Ltd.
›
AEK992627
Application
Frequency Range
Final Action Date
Granted
GlKUpacwmJqwtr5D7xlmSw==
26.96-27.28
2000-02-07
APPROVED
File Name
Document Type
Date
Direct
TAIYO STATEMENT
Cover Letter(s)
2000-02-07 00:00:00
jpeg
CTJC STATEMENT
Cover Letter(s)
2000-02-07 00:00:00
pdf
EXPOSITORY STATEMENT
Operational Description
2000-02-07 00:00:00
pdf
RF EXPOSURE STATEMENT
Attestation Statements
2000-02-07 00:00:00
pdf
TUNEUP INFO
Parts List/Tune Up Info
2000-02-07 00:00:00
pdf
PARTS LIST
Parts List/Tune Up Info
2000-02-07 00:00:00
jpeg
PCB TOP AND BOTTOM LAYOUT
Internal Photos
2000-02-07 00:00:00
jpeg
INTERNAL PCB COMPONENT SIDE
Internal Photos
2000-02-07 00:00:00
jpeg
INTERNAL PCB CIRCUIT SIDE
Internal Photos
2000-02-07 00:00:00
jpeg
MANUAL 4 OF 4
Users Manual
2000-02-07 00:00:00
jpeg
MANUAL 3 OF 4
Users Manual
2000-02-07 00:00:00
jpeg
MANUAL 2 OF 4
Users Manual
2000-02-07 00:00:00
jpeg
MANUAL 1 OF 4
Users Manual
2000-02-07 00:00:00
jpeg
SCAN SITE
Test Setup Photos
2000-02-07 00:00:00
jpeg
OATS
Test Setup Photos
2000-02-07 00:00:00
jpeg
MEASUREMENT REPORT
Test Report
2000-02-07 00:00:00
pdf
RADIATED DATA SHEET
Test Report
2000-02-07 00:00:00
pdf
PLOT 2 OF 2
Test Report
2000-02-07 00:00:00
jpeg
PLOT 1 OF 2
Test Report
2000-02-07 00:00:00
jpeg
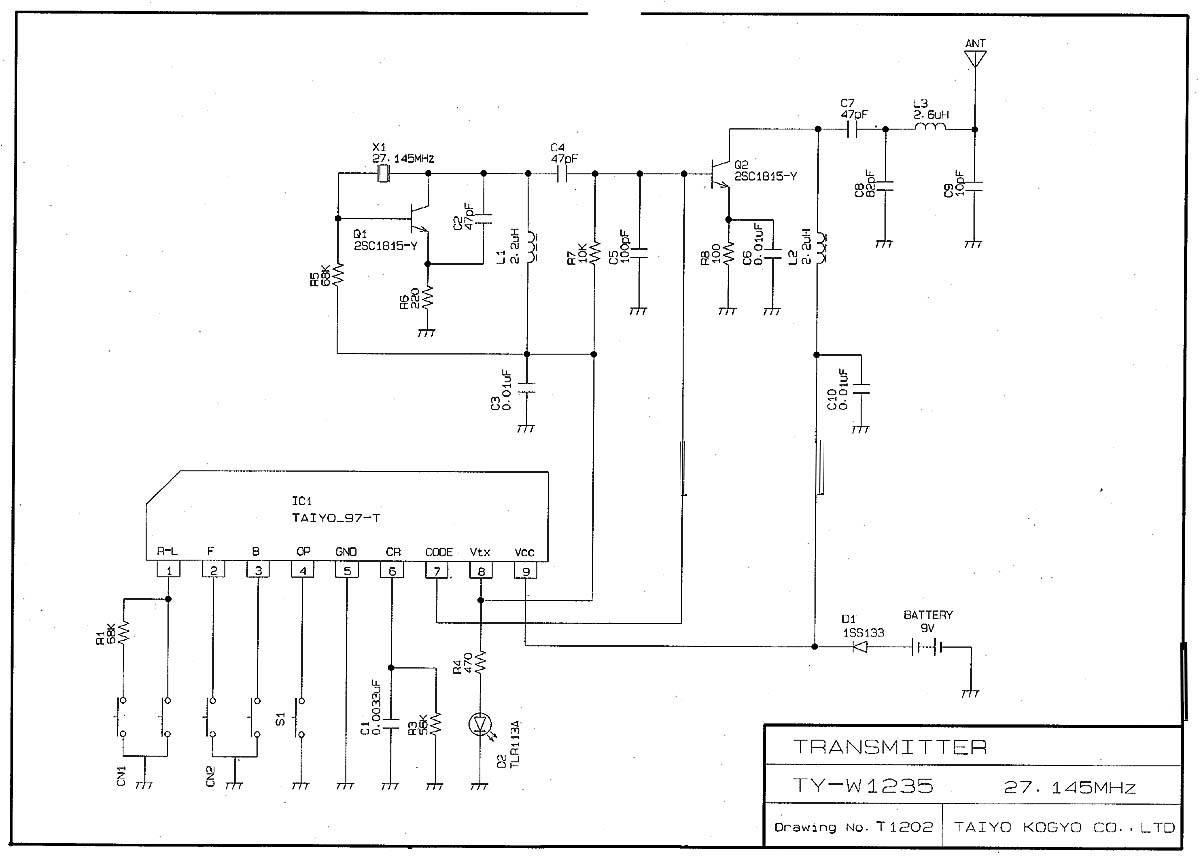
SCHEMATIC
Schematics
2000-02-07 00:00:00
jpeg
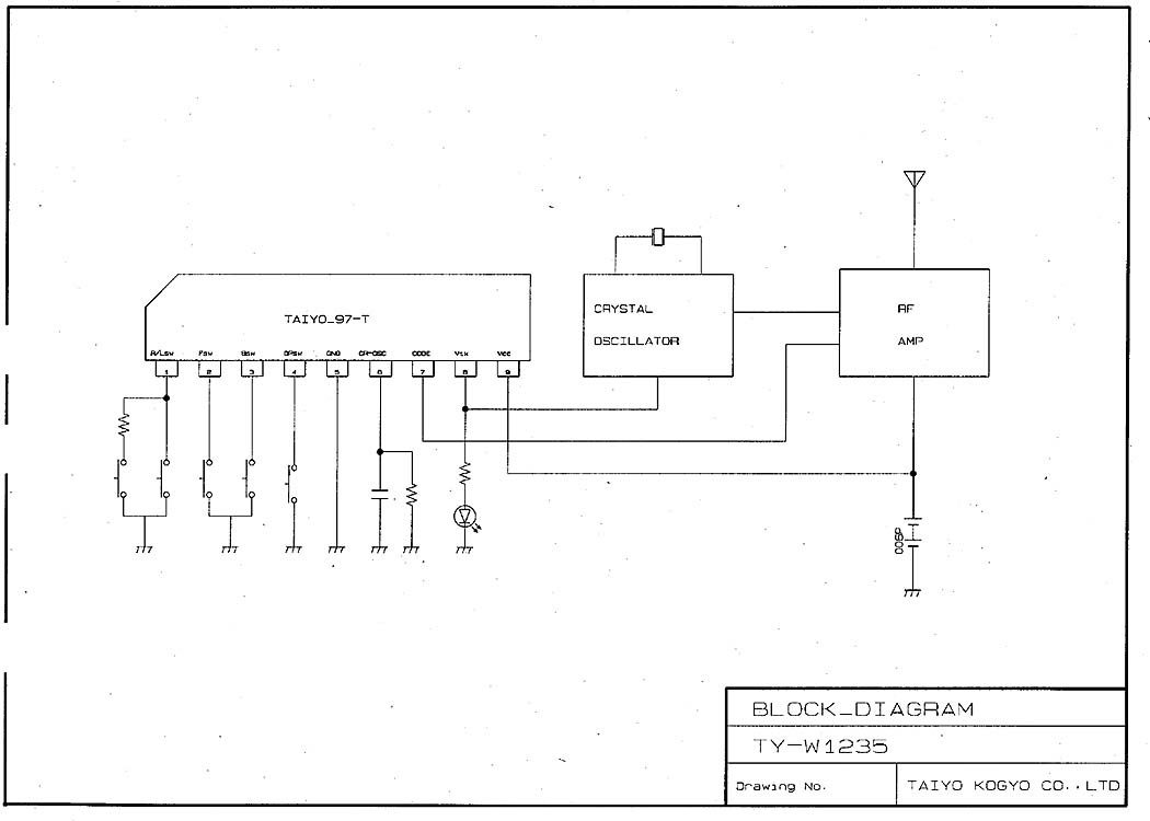
BLOCK DIAGRAM
Block Diagram
2000-02-07 00:00:00
jpeg
REAR VIEW
External Photos
2000-02-07 00:00:00
jpeg
FRONT VIEW
External Photos
2000-02-07 00:00:00
jpeg
LABEL POSITION
ID Label/Location Info
2000-02-07 00:00:00
jpeg
LABEL SAMPLE
ID Label/Location Info
2000-02-07 00:00:00
jpeg
Application Details:
Equipment
Toy Remote Control
FRN
0005882246
Grantee Code
AEK
Product Code
992627
Applicant Business
Taiyo Co., Ltd.
Business Address
Fukokuseimei Bldg. 6F, No. 1-2-11, Kaminarimon , Taito-Ku, Tokyo,N/A Japan 111-0034
TCB Scope
TCB Email
Applicant
Hiroyuki Sasaki – Manager of Quality Assurance Section
Applicant Phone
Applicant Fax
81-237-49-1115
Applicant Email
[email protected]
Applicant MailStop
Test Firm
Carl T. Jones Corporation
Test Firm Contact
Carl Jones
Test Firm Phone
Test Firm Fax
1234567890
Test Firm Email
[email protected]
Certified By
Yoshinori Ishiyama – Marketing Operator
© 2026 FCC.report
This site is not affiliated with or endorsed by the FCC