Toggle navigation
FCC.report
IBFS
ELS
FCC ID
Contact
About
ABZ89FC5778
FCC ID
Equipment:
Motorola Solutions, Inc. 89FC5778
1301 East Algonquin Road, Schaumburg, IL 60196 United States
FCC.report
›
FCC ID
›
Motorola Solutions, Inc.
›
ABZ89FC5778
Application
Frequency Range
Final Action Date
Granted
mH2n/xJ9Q1hgqSfbvb/mcw==
930.0-931.0
2000-05-31
APPROVED
mH2n/xJ9Q1hgqSfbvb/mcw==
940.0-941.0
2000-05-31
APPROVED
ZSWXGRBJhDagzkbol1LDKQ==
940.0-941.0
1997-08-29
APPROVED
lvrn1pzlvMokTQDARTXSdg==
930.0-941.0
1999-04-09
APPROVED
File Name
Document Type
Date
Direct
Occupied Bandwidth 10F16
Test Report
2000-05-31 00:00:00
pdf
Occupied Bandwidth 10F15
Test Report
2000-05-31 00:00:00
pdf
Occupied Bandwidth 10F14
Test Report
2000-05-31 00:00:00
pdf
Occupied Bandwidth 10F13
Test Report
2000-05-31 00:00:00
pdf
Occupied Bandwidth
Test Report
2000-05-31 00:00:00
pdf
Conducted Spuriuos Emissions 10D2
Test Report
2000-05-31 00:00:00
pdf
Conducted Spuriuos Emissions 10D1
Test Report
2000-05-31 00:00:00
pdf
Conducted Spuriuos Emissions
Test Report
2000-05-31 00:00:00
pdf
RF Power Output 10A4
Test Report
2000-05-31 00:00:00
pdf
RF Power Output 10A3
Test Report
2000-05-31 00:00:00
pdf
RF Power Output 10A2
Test Report
2000-05-31 00:00:00
pdf
RF Power Output 10A1
Test Report
2000-05-31 00:00:00
pdf
RF Output Measured Data
Test Report
2000-05-31 00:00:00
pdf
Measured Data Index
Test Report
2000-05-31 00:00:00
pdf
Freq Band Emission Desig and FCC Rule Part
Operational Description
2000-05-31 00:00:00
pdf
Emission Desig and BW Calc
Operational Description
2000-05-31 00:00:00
pdf
Description of Contents
Operational Description
2000-05-31 00:00:00
pdf
Statement of Certification
Attestation Statements
2000-05-31 00:00:00
pdf
List of Exhibits
Cover Letter(s)
2000-05-31 00:00:00
pdf
Cover Letter
Cover Letter(s)
2000-05-31 00:00:00
pdf
OBW 200W 1 Subchannel
Test Report
1999-04-09 00:00:00
jpeg
OBW 450W 1 Subchannel
Test Report
1999-04-09 00:00:00
jpeg
OBW 200W 2 Subchannels
Test Report
1999-04-09 00:00:00
jpeg
OBW 500W 2 Subchannels
Test Report
1999-04-09 00:00:00
jpeg
OBW 200W 4 Subchannels
Test Report
1999-04-09 00:00:00
jpeg
OBW 500W 4 Subchannels
Test Report
1999-04-09 00:00:00
jpeg
Transmitter Conducted Spurious Emissions
Test Report
1999-04-09 00:00:00
pdf
RF Power Out
Test Report
1999-04-09 00:00:00
pdf
Measured data index
Test Report
1999-04-09 00:00:00
pdf
VCO Circuit
Schematics
1999-04-09 00:00:00
jpeg
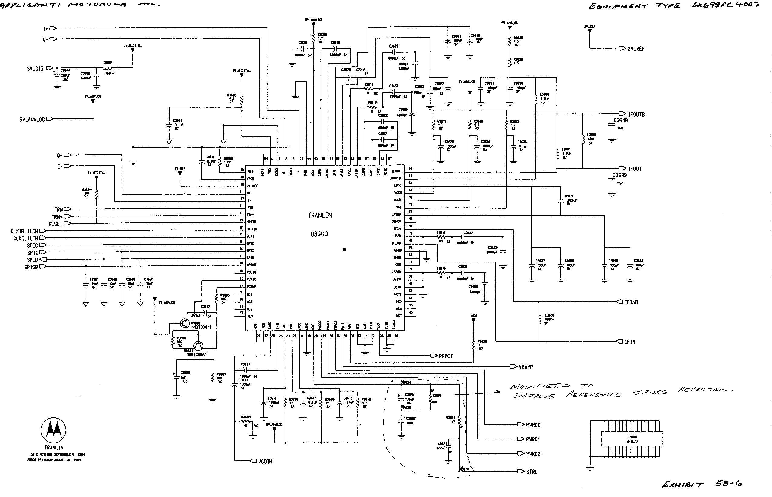
Tranlin IC
Schematics
1999-04-09 00:00:00
jpeg
Circuit Diagram Index
Schematics
1999-04-09 00:00:00
pdf
Frequency Band and Emission Designator and FCC Rule Part
Operational Description
1999-04-09 00:00:00
pdf
Application Details:
Equipment
Non-Broadcast Station Transmitter
FRN
0024489320
Grantee Code
ABZ
Product Code
89FC5778
Applicant Business
Motorola Solutions, Inc.
Business Address
1301 East Algonquin Road , Schaumburg,Illinois United States 60196
TCB Scope
TCB Email
Applicant
Vincent Spena –
Applicant Phone
Applicant Fax
847-538-3765
Applicant Email
[email protected]
Applicant MailStop
Room 1043
Test Firm
Test Firm Contact
Test Firm Phone
Test Firm Fax
Test Firm Email
Certified By
Sander Tsou – Compliance Staff Engineer
© 2026 FCC.report
This site is not affiliated with or endorsed by the FCC