Toggle navigation
FCC.report
IBFS
ELS
FCC ID
Contact
About
AAO1901106
FCC ID
Equipment:
RadioShack Corporation 1901106
300 RadioShack Circle, Mail Stop WF4-136, Fort Worth, TX 76102-2802 United States
FCC.report
›
FCC ID
›
RadioShack Corporation
›
AAO1901106
Application
Frequency Range
Final Action Date
Granted
P+xvikQ3uO4eYULIMLQEmA==
144.0-148.0
1999-12-13
APPROVED
P+xvikQ3uO4eYULIMLQEmA==
162.4-162.55
1999-12-13
APPROVED
P+xvikQ3uO4eYULIMLQEmA==
438.0-450.0
1999-12-13
APPROVED
File Name
Document Type
Date
Direct
Warning statement on device
ID Label/Location Info
1999-12-13 00:00:00
jpeg
Statement regarding modifications to device
Attestation Statements
1999-12-13 00:00:00
jpeg
38 dB TEST INFORMATION
Test Report
1999-12-13 00:00:00
pdf
internal photo copper side
Internal Photos
1999-12-13 00:00:00
jpeg
internal photo component side
Internal Photos
1999-12-13 00:00:00
jpeg
external photo back side
External Photos
1999-12-13 00:00:00
jpeg
external photo front side
External Photos
1999-12-13 00:00:00
jpeg
radiated test setup photo
Test Setup Photos
1999-12-13 00:00:00
jpeg
sample of FCC ID label and sketch of location
ID Label/Location Info
1999-12-13 00:00:00
jpeg
users manual
Users Manual
1999-12-13 00:00:00
pdf
schematics
Schematics
1999-12-13 00:00:00
jpeg
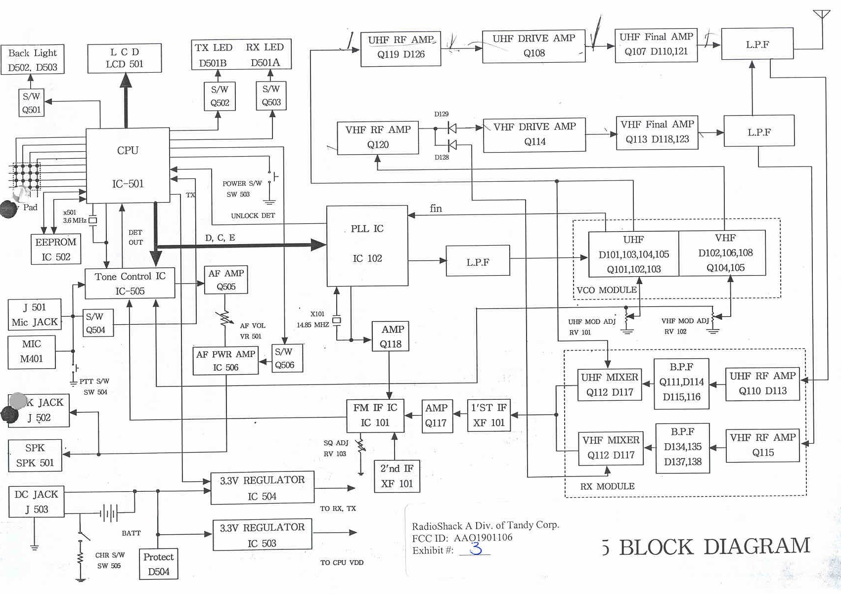
block diagram
Block Diagram
1999-12-13 00:00:00
jpeg
statement per 15 121a
Attestation Statements
1999-12-13 00:00:00
pdf
power of attorney letter
Cover Letter(s)
1999-12-13 00:00:00
pdf
test report
Test Report
1999-12-13 00:00:00
pdf
Application Details:
Equipment
Receiver portion of an Amateur Transceiver
FRN
0007380363
Grantee Code
AAO
Product Code
1901106
Applicant Business
RadioShack Corporation
Business Address
300 RadioShack Circle, Mail Stop WF4-136 , Fort Worth,Texas United States 76102-2802
TCB Scope
TCB Email
Applicant
Elizabeth Granados – Regulatory Affairs Manager
Applicant Phone
Applicant Fax
817-415-4886
Applicant Email
[email protected]
Applicant MailStop
WF6-136
Test Firm
Timco Engineering, Inc.
Test Firm Contact
Sid Sanders
Test Firm Phone
Test Firm Fax
352-472-2030
Test Firm Email
[email protected]
Certified By
S. S. Sanders – Engineer
© 2026 FCC.report
This site is not affiliated with or endorsed by the FCC