VK4UTS55MS

FCC ID

Equipment:

KEYSHEEN INDUSTRY (SHANGHAI) CO., LTD. UTS55MS

707 Songhua Road, Songze Industry Division, Zhaoxi, Shanghai, N/A N/A China

Application
Frequency Range
Final Action Date
Granted
rdDIyaUkkiklC0d63GNv9A==
2404.0-2479.0
2007-08-27
APPROVED
File NameDocument TypeDateDirect
USERS MANUALUsers Manual 2007-08-27 00:00:00 pdf
TEST SETUP PHOTOSTest Setup Photos 2007-08-27 00:00:00 pdf
TEST REPORTTest Report 2007-08-27 00:00:00 pdf
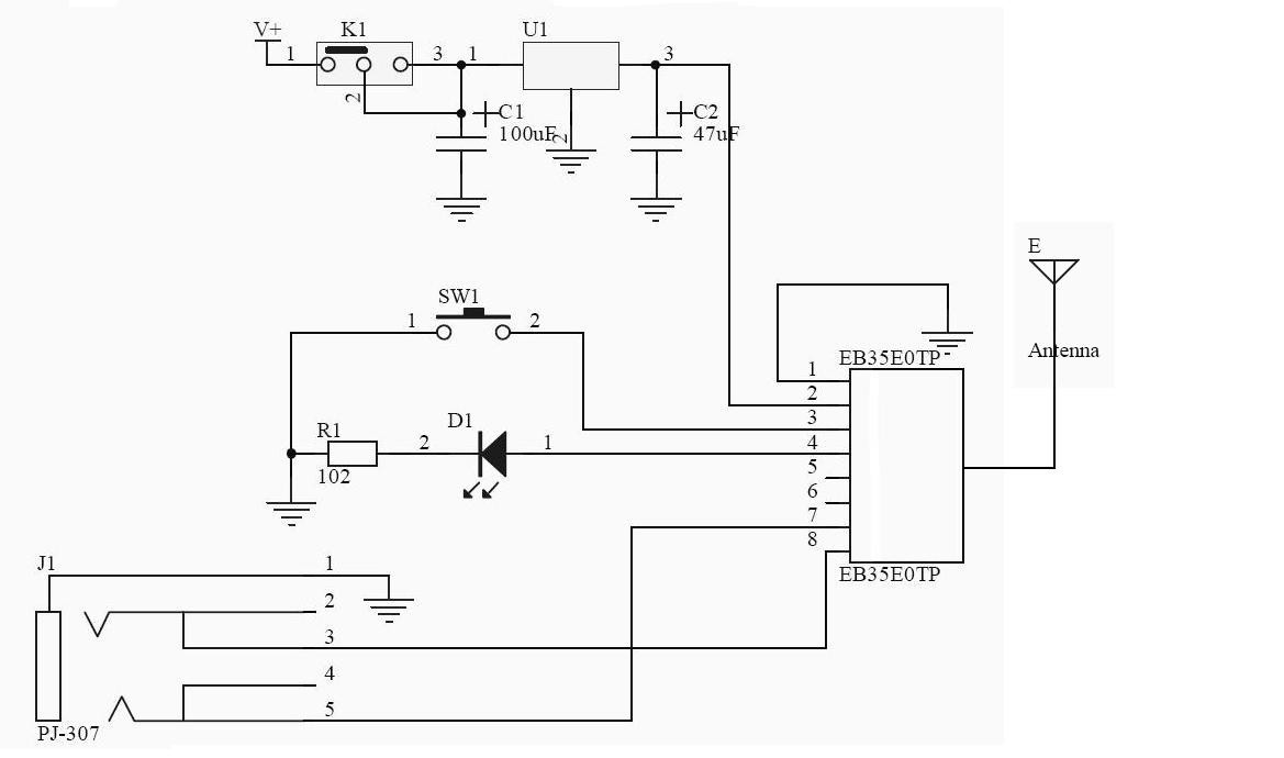
SCHEMATICSSchematics 2007-08-27 00:00:00 native
OPERATIONAL DESCRIPTIONOperational Description 2007-08-27 00:00:00 pdf
INTERNAL PHOTOSInternal Photos 2007-08-27 00:00:00 pdf
ID LABEL AND LOCATIONID Label/Location Info 2007-08-27 00:00:00 pdf
EXTERNAL PHOTOSExternal Photos 2007-08-27 00:00:00 pdf
BLOCK DIAGRAMBlock Diagram 2007-08-27 00:00:00 pdf

Application Details:

EquipmentMUSIC UMBRELLA
FRN0016822330
Grantee CodeVK4
Product CodeUTS55MS
Applicant BusinessKEYSHEEN INDUSTRY (SHANGHAI) CO., LTD.
Business Address707 Songhua Road, Songze Industry Division, Zhaoxi , Shanghai, China
TCB ScopeA2: Low Power Transmitters (except Spread Spectrum) and radar detectors operating above 1 GHz
TCB Email[email protected]
ApplicantLora Fan – Manager
Applicant Phone
Applicant Fax86 21 59758057
Applicant EmailJFAN_R&D;@KEYSHEEN.COM
Applicant MailStop
Test FirmSinTek Laboratory Co., Ltd.
Test Firm ContactEric Lin
Test Firm Phone
Test Firm Fax86-755-27608359
Test Firm Email[email protected]
Certified ByLORA FAN – MANAGER

© 2026 FCC.report
This site is not affiliated with or endorsed by the FCC