Toggle navigation
FCC.report
IBFS
ELS
FCC ID
Contact
About
OBATF-400
FCC ID
Equipment:
Telson Information and Communications Co Ltd TF-400
356-5GA, San-Dong, Kum Cheun-ku, Seoul, N/A N/A South Korea
FCC.report
›
FCC ID
›
Telson Information and Communications Co Ltd
›
OBATF-400
Application
Frequency Range
Final Action Date
Granted
NbqRH7mxebA0fTsvgkfefQ==
462.56-467.71
1999-02-25
APPROVED
File Name
Document Type
Date
Direct
Revised Page from report
Test Report
1999-02-25 00:00:00
pdf
FCC ID Label Location and warning statement
ID Label/Location Info
1999-02-25 00:00:00
jpeg
Letter of Explanation
Cover Letter(s)
1999-02-25 00:00:00
pdf
OCCUPIED BANDWIDTH PLOT
Test Report
1999-02-25 00:00:00
jpeg
OCCUPIED BANDWIDTH CW PLOT
Test Report
1999-02-25 00:00:00
jpeg
AUDIO LOW PASS FILTER GRAPH
Test Report
1999-02-25 00:00:00
jpeg
AUDIO INPUT VS DEVIATION GRAPH
Test Report
1999-02-25 00:00:00
jpeg
AUDIO FREQUENCY GRAPH
Test Report
1999-02-25 00:00:00
jpeg
USERS MANUAL PAGE SEVEN
Users Manual
1999-02-25 00:00:00
jpeg
USERS MANUAL PAGE SIX
Users Manual
1999-02-25 00:00:00
jpeg
USERS MANUAL PAGE FIVE
Users Manual
1999-02-25 00:00:00
jpeg
USERS MANUAL PAGE FOUR
Users Manual
1999-02-25 00:00:00
jpeg
USERS MANUAL PAGE THREE
Users Manual
1999-02-25 00:00:00
jpeg
USERS MANUAL PAGE TWO
Users Manual
1999-02-25 00:00:00
jpeg
USERS MANUAL PAGE ONE
Users Manual
1999-02-25 00:00:00
jpeg
THEORY OF OPERATION PAGE FIVE
Operational Description
1999-02-25 00:00:00
jpeg
THEORY OF OPERATION PAGE FOUR
Operational Description
1999-02-25 00:00:00
jpeg
THEORY OF OPERATION PAGE THREE
Operational Description
1999-02-25 00:00:00
jpeg
THEORY OF OPERATION PAGE TWO
Operational Description
1999-02-25 00:00:00
jpeg
THEORY OF OPERATION PAGE ONE
Operational Description
1999-02-25 00:00:00
jpeg
LIST OF ACTIVE DEVICES
Parts List/Tune Up Info
1999-02-25 00:00:00
jpeg
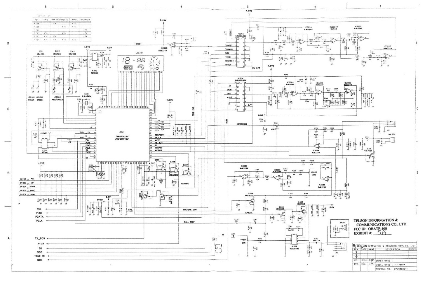
SCHEMATIC PAGE TWO
Schematics
1999-02-25 00:00:00
jpeg
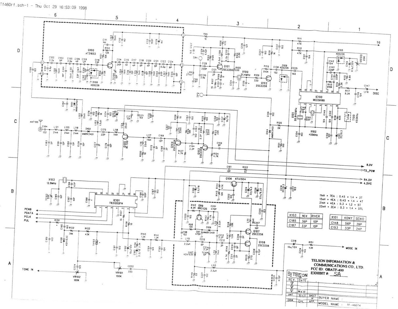
SCHEMATIC PAGE ONE
Schematics
1999-02-25 00:00:00
jpeg
BLOCK DIAGRAM
Block Diagram
1999-02-25 00:00:00
jpeg
COMPONENT SIDE INTERNAL PHOTOGRAPH
Internal Photos
1999-02-25 00:00:00
jpeg
COPPER SIDE INTERNAL PHOTOGRAPH
Internal Photos
1999-02-25 00:00:00
jpeg
REAR VIEW EXTERNAL PHOTOGRAPH
External Photos
1999-02-25 00:00:00
jpeg
TOP VIEW EXTERNAL PHOTOGRAPH
External Photos
1999-02-25 00:00:00
jpeg
SIDE VIEW EXTERNAL PHOTOGRAPH
External Photos
1999-02-25 00:00:00
jpeg
FRONT VIEW EXTERNAL PHOTOGRAPH
External Photos
1999-02-25 00:00:00
jpeg
SKETCH OF FCC ID LABEL LOCATION
ID Label/Location Info
1999-02-25 00:00:00
jpeg
FCC ID LABEL SAMPLE
ID Label/Location Info
1999-02-25 00:00:00
jpeg
POWER OF ATTORNEY LETTER
Cover Letter(s)
1999-02-25 00:00:00
jpeg
TEST REPORT INCLUDING TABLE OF CONTENTS PAGE
Test Report
1999-02-25 00:00:00
pdf
Application Details:
Equipment
FRN
Grantee Code
OBA
Product Code
TF-400
Applicant Business
Telson Information and Communications Co Ltd
Business Address
356-5GA, San-Dong, Kum Cheun-ku , Seoul,N/A South Korea
TCB Scope
TCB Email
Applicant
Seo Y. Yoon – President
Applicant Phone
Applicant Fax
(02)867-1081
Applicant Email
Applicant MailStop
Test Firm
Timco Engineering, Inc.
Test Firm Contact
Sid Sanders
Test Firm Phone
Test Firm Fax
352-472-2030
Test Firm Email
[email protected]
Certified By
S. S. SANDERS – ENGINEER
© 2026 FCC.report
This site is not affiliated with or endorsed by the FCC