Toggle navigation
FCC.report
IBFS
ELS
FCC ID
Contact
About
OBANT-40
FCC ID
Equipment:
Telson Information and Communications Co Ltd NT-40
356-5GA, San-Dong, Kum Cheun-ku, Seoul, N/A N/A South Korea
FCC.report
›
FCC ID
›
Telson Information and Communications Co Ltd
›
OBANT-40
Application
Frequency Range
Final Action Date
Granted
OLYBt4+cU6sa+XBFmdX+Sg==
421.0-512.0
1999-06-10
APPROVED
File Name
Document Type
Date
Direct
Answer to item 2 of correspondence reference number 8090
Cover Letter(s)
1999-06-10 00:00:00
pdf
Block Diagram 2 of 2
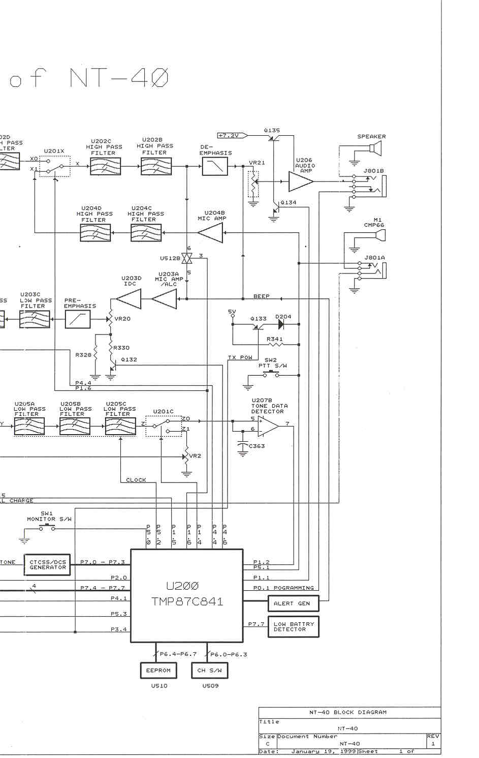
Block Diagram
1999-06-10 00:00:00
jpeg
Block Diagram 1 of 2
Block Diagram
1999-06-10 00:00:00
jpeg
Schematic AF Module 2 of 2
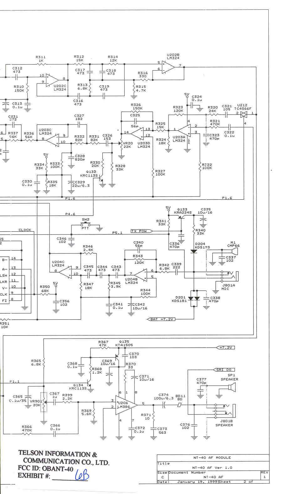
Schematics
1999-06-10 00:00:00
jpeg
Schematic AF Module 1 of 2
Schematics
1999-06-10 00:00:00
jpeg
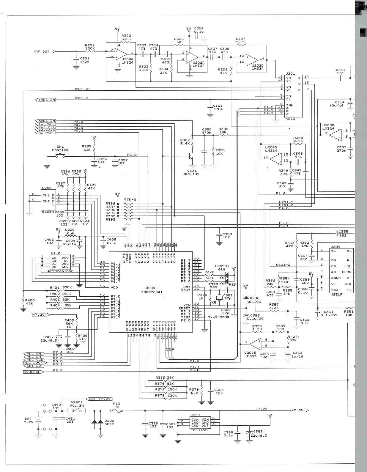
Schematic RF Module 2 of 2
Schematics
1999-06-10 00:00:00
jpeg
Schematic RF Module 1 of 2
Schematics
1999-06-10 00:00:00
jpeg
TRANSIENT FREQUENCY RESPONSE PLOTS
Test Report
1999-06-10 00:00:00
pdf
DTRANSIENT FREQUENCY RESPONSE PLOTS
Test Report
1999-06-10 00:00:00
pdf
OCCUPIED BANDWIDTH PLOT FIVE kHz DEVIATION
Test Report
1999-06-10 00:00:00
pdf
OCCUPIED BANDWIDTH PLOT TWO THOUSAND FIVE HUNDRED Hz TONE
Test Report
1999-06-10 00:00:00
pdf
OCCUPIED BANDWIDTH CW PLOT
Test Report
1999-06-10 00:00:00
pdf
AUDIO LOW PASS FILTER GRAPH
Test Report
1999-06-10 00:00:00
pdf
AUDIO INPUT VS DEVAITION GRAPH
Test Report
1999-06-10 00:00:00
pdf
AUDIO INPUT VS DEVIATION GRAPH
Test Report
1999-06-10 00:00:00
pdf
AUDIO FREQUENCY RESPONSE GRAPH
Test Report
1999-06-10 00:00:00
pdf
USERS MANUAL
Users Manual
1999-06-10 00:00:00
pdf
POWER OF ATTORNEY LETTER
Cover Letter(s)
1999-06-10 00:00:00
jpeg
INTERNAL SOLDER SIDE PHOTOGRAPH
Internal Photos
1999-06-10 00:00:00
jpeg
INTERNAL COMPONENT SIDE PHOTOGRAPH
Internal Photos
1999-06-10 00:00:00
jpeg
INTENRLA COMPONENT SIDE PHOTOGRAPH
Internal Photos
1999-06-10 00:00:00
jpeg
TOP VIEW EXTERNAL PHOTOGRAPH
External Photos
1999-06-10 00:00:00
jpeg
SIDE VIEW EXTERNAL PHOTOGRAPH
External Photos
1999-06-10 00:00:00
jpeg
REAR VIEW EXTERNAL PHOTOGRAPH
External Photos
1999-06-10 00:00:00
jpeg
FRONT VIEW EXTERNAL PHOTOGRAPH
External Photos
1999-06-10 00:00:00
jpeg
SKETCH OF FCC ID LABEL LOCATION
ID Label/Location Info
1999-06-10 00:00:00
jpeg
FCC ID LABEL SAMPLE
ID Label/Location Info
1999-06-10 00:00:00
pdf
TEST REPORT INCLUDING TABLE OF CONTENTS PAGE
Test Report
1999-06-10 00:00:00
pdf
Application Details:
Equipment
FRN
Grantee Code
OBA
Product Code
NT-40
Applicant Business
Telson Information and Communications Co Ltd
Business Address
356-5GA, San-Dong, Kum Cheun-ku , Seoul,N/A South Korea
TCB Scope
TCB Email
Applicant
Seo Y. Yoon – President
Applicant Phone
Applicant Fax
(02)867-1081
Applicant Email
Applicant MailStop
Test Firm
Timco Engineering, Inc.
Test Firm Contact
Sid Sanders
Test Firm Phone
Test Firm Fax
352-472-2030
Test Firm Email
[email protected]
Certified By
S. S. SANDERS – ENGINEER
© 2026 FCC.report
This site is not affiliated with or endorsed by the FCC