LWNF21-60

FCC ID

Equipment:

Lee's High-Tech Enterprise Co Ltd F21-60

8F-1, No. 288-2, Hsin-Ya Rd, Chien-Chen Zone, Kaohsiung, N/A N/A Taiwan

Application
Frequency Range
Final Action Date
Granted
8GDwHS3spkNcxO7qFzH3/A==
433.05-434.79
2001-05-18
APPROVED
File NameDocument TypeDateDirect
operational descriptionOperational Description 2001-05-18 00:00:00 pdf
users manualUsers Manual 2001-05-18 00:00:00 pdf
test setup photosTest Setup Photos 2001-05-18 00:00:00 pdf
test reportTest Report 2001-05-18 00:00:00 pdf
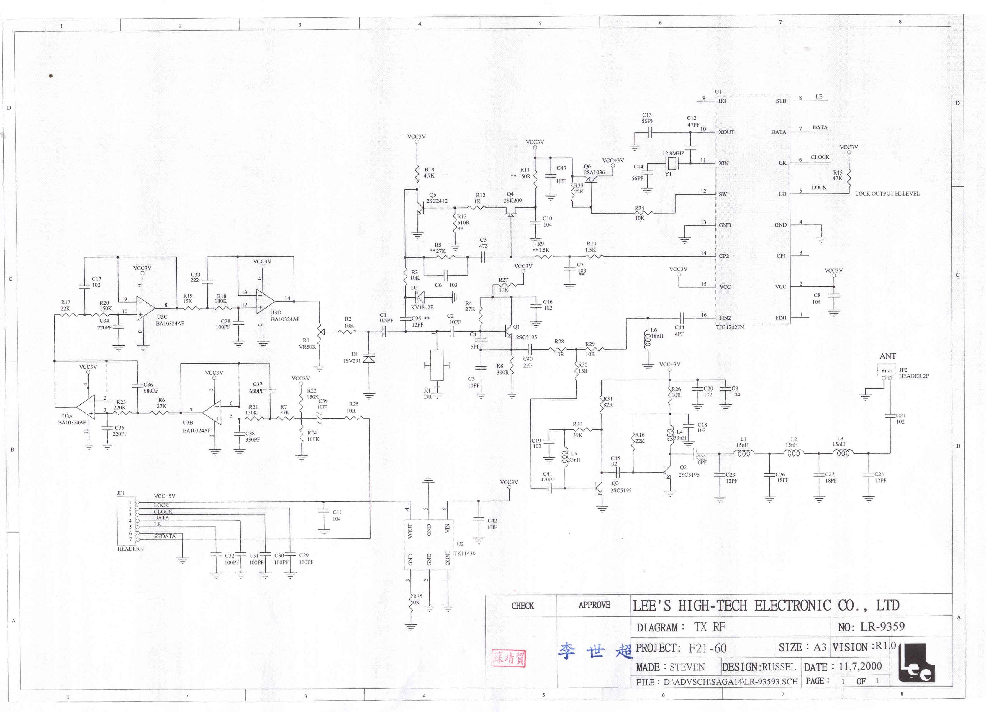
schematics 2jpeg 2001-05-18 00:00:00 jpeg
schematics 1jpeg 2001-05-18 00:00:00 jpeg
block diagram 2jpeg 2001-05-18 00:00:00 jpeg
block diagram 1jpeg 2001-05-18 00:00:00 jpeg
internal photosInternal Photos 2001-05-18 00:00:00 pdf
external photosExternal Photos 2001-05-18 00:00:00 pdf
commsunyCover Letter(s) 2001-05-18 00:00:00 pdf
label locationID Label/Location Info 2001-05-18 00:00:00 pdf
label sampleID Label/Location Info 2001-05-18 00:00:00 pdf

Application Details:

EquipmentTransmitter
FRN0022239164
Grantee CodeLWN
Product CodeF21-60
Applicant BusinessLee's High-Tech Enterprise Co Ltd
Business Address8F-1, No. 288-2, Hsin-Ya Rd, Chien-Chen Zone , Kaohsiung,N/A Taiwan
TCB ScopeA1: Low Power Transmitters below 1 GHz (except Spread Spectrum), Unintentional Radiators, EAS (Part 11) & Consumer ISM devices
TCB Email[email protected]
ApplicantMr.Russell Lee – General Manager
Applicant Phone
Applicant Fax886-7-8125704
Applicant Email[email protected]
Applicant MailStop
Test FirmSporton International Inc.
Test Firm ContactKathy Lin
Test Firm Phone 309
Test Firm Fax886-2-2696-2255
Test Firm Email[email protected]
Certified BySuper Lee – General manager

© 2026 FCC.report
This site is not affiliated with or endorsed by the FCC