Toggle navigation
FCC.report
IBFS
ELS
FCC ID
Contact
About
KPG-MOD900T
FCC ID
Equipment:
Shan Yeun Co Ltd -MOD900T
No. 35, Lane 646, Bin-Hai Road, Sec. 2, Su-Ao, I-Lan, N/A N/A Taiwan
FCC.report
›
FCC ID
›
Shan Yeun Co Ltd
›
KPG-MOD900T
Application
Frequency Range
Final Action Date
Granted
UEzadEP01O9yd5yw3CzdIQ==
315.0-315.0
1999-05-14
APPROVED
File Name
Document Type
Date
Direct
INT 3 OF 3
Internal Photos
1999-05-14 00:00:00
jpeg
INT 2 OF 3
Internal Photos
1999-05-14 00:00:00
jpeg
INT 1 OF 3
Internal Photos
1999-05-14 00:00:00
jpeg
EXT 4 OF 4
External Photos
1999-05-14 00:00:00
jpeg
EXT 3 OF 4
External Photos
1999-05-14 00:00:00
jpeg
EXT 2 OF 4
External Photos
1999-05-14 00:00:00
jpeg
EXT 1 OF 4
External Photos
1999-05-14 00:00:00
jpeg
USER MANUAL
Users Manual
1999-05-14 00:00:00
pdf
BLOCK DIAGRAM
Block Diagram
1999-05-14 00:00:00
jpeg
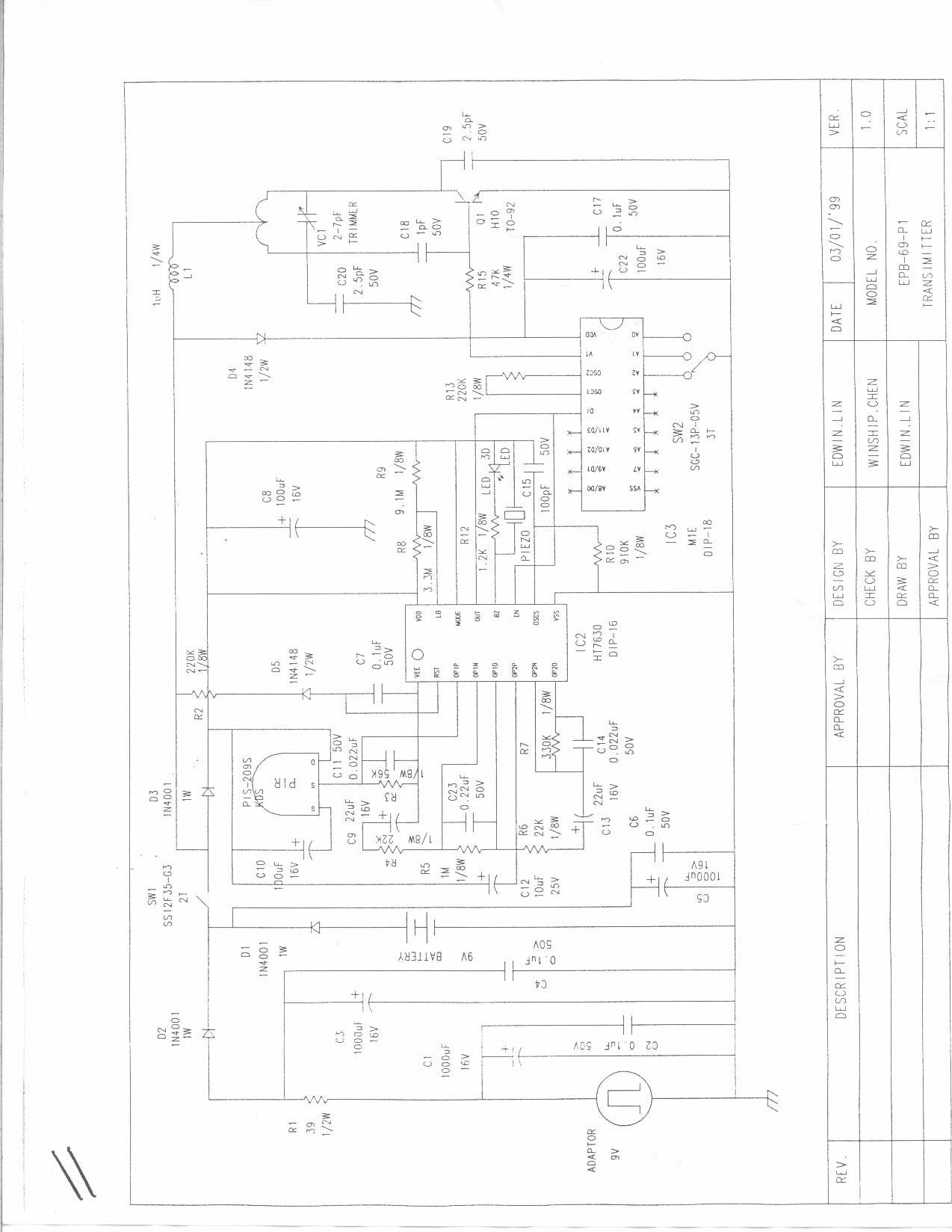
SCHEMATICS
Schematics
1999-05-14 00:00:00
jpeg
BANDWIDTH
Test Report
1999-05-14 00:00:00
jpeg
DUTY CYCLE 3 OF 3
Test Report
1999-05-14 00:00:00
jpeg
DUTY CYCLE 2 OF 3
Test Report
1999-05-14 00:00:00
jpeg
DUTY CYCLE 1 OF 3
Test Report
1999-05-14 00:00:00
jpeg
RADIATION HARMONICS
Test Report
1999-05-14 00:00:00
pdf
RADIATION FUNDAMENTAL
Test Report
1999-05-14 00:00:00
pdf
TEST REPORT
Test Report
1999-05-14 00:00:00
pdf
FCC ID LABEL AND LOCATION
ID Label/Location Info
1999-05-14 00:00:00
pdf
AUTHORIZATION LETTER
Cover Letter(s)
1999-05-14 00:00:00
jpeg
Application Details:
Equipment
FRN
0005902895
Grantee Code
KPG
Product Code
-MOD900T
Applicant Business
Shan Yeun Co Ltd
Business Address
No. 35, Lane 646, Bin-Hai Road, Sec. 2 , Su-Ao, I-Lan,N/A Taiwan
TCB Scope
TCB Email
Applicant
Winship Chen – Manager Director
Applicant Phone
Applicant Fax
886-3-9907722
Applicant Email
[email protected]
Applicant MailStop
Test Firm
Compliance Certification Services Inc
Test Firm Contact
Steve Cheng
Test Firm Phone
112
Test Firm Fax
408-463-0888
Test Firm Email
[email protected]
Certified By
MIKE C. I. KUO – VICE PRESIDENT
© 2026 FCC.report
This site is not affiliated with or endorsed by the FCC