JNZ201372

FCC ID

Equipment:

Logitech Far East Ltd 201372

No. 2, Creation Road IV Science-Based Industrial Park, Hsin-Chu, N/A N/A Taiwan

Application
Frequency Range
Final Action Date
Granted
kOBi3rqIfrEvmdNs/kubJg==
-
1999-12-21
APPROVED
File NameDocument TypeDateDirect
Label sample and location on one pageID Label/Location Info 1999-12-21 00:00:00 pdf
Resubmitted Test Report including CE and RE test data and setup photoTest Report 1999-12-21 00:00:00 pdf
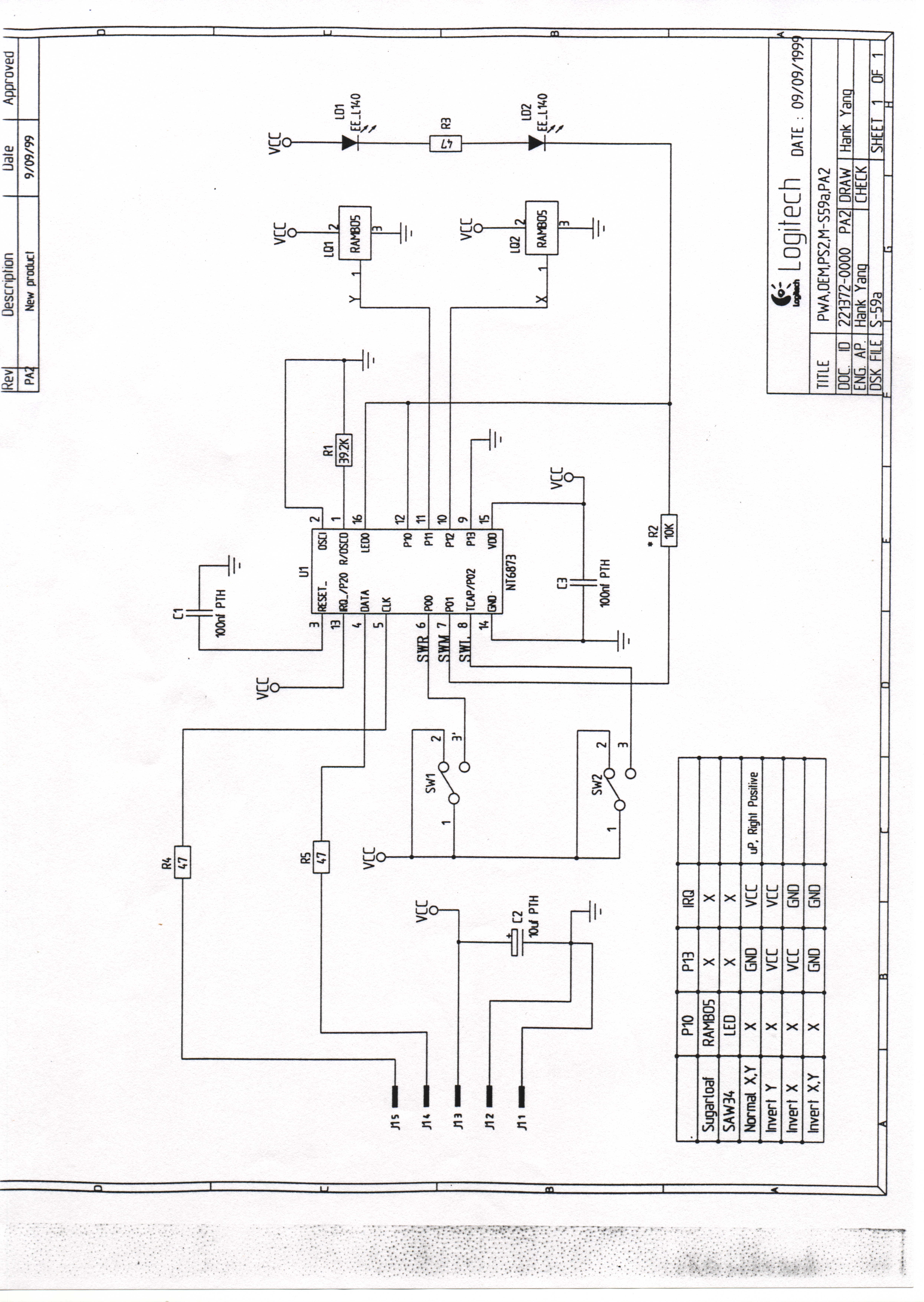
1 pageBlock Diagram 1999-12-21 00:00:00 jpeg
3 pageInternal Photos 1999-12-21 00:00:00 pdf
4 pageUsers Manual 1999-12-21 00:00:00 pdf
CE 2 Page RE 3 PageTest Setup Photos 1999-12-21 00:00:00 pdf
2 PageExternal Photos 1999-12-21 00:00:00 pdf

Application Details:

Equipment
FRN0007134034
Grantee CodeJNZ
Product Code201372
Applicant BusinessLogitech Far East Ltd
Business AddressNo. 2, Creation Road IV Science-Based Industrial Park, Hsin-Chu,N/A Taiwan
TCB Scope
TCB Email
ApplicantT. C. Chang – Sr. Manager AP Region
Applicant Phone 2146
Applicant Fax886 3 579-2393
Applicant Email[email protected]
Applicant MailStop
Test FirmCompliance Certification Services Inc.
Test Firm ContactPaul Liau
Test Firm Phone
Test Firm Fax886-3-5825720
Test Firm Email[email protected]
Certified ByT.C.Chang – Hardware QA Engineer

© 2026 FCC.report
This site is not affiliated with or endorsed by the FCC