Toggle navigation
FCC.report
IBFS
ELS
FCC ID
Contact
About
JEE20E
FCC ID
Equipment:
Shinkwang Enterprise Co Ltd 20E
330-6 Dukji-ri, Eumbong-Myun, Asan-City, Choongnam, N/A N/A South Korea
FCC.report
›
FCC ID
›
Shinkwang Enterprise Co Ltd
›
JEE20E
Application
Frequency Range
Final Action Date
Granted
NdPjAoq5Cw0mNRcK5/lxbQ==
0.045-0.05
2001-04-09
APPROVED
File Name
Document Type
Date
Direct
id label 2
ID Label/Location Info
2001-04-09 00:00:00
pdf
internal photos
Internal Photos
2001-04-09 00:00:00
pdf
test report
Test Report
2001-04-09 00:00:00
pdf
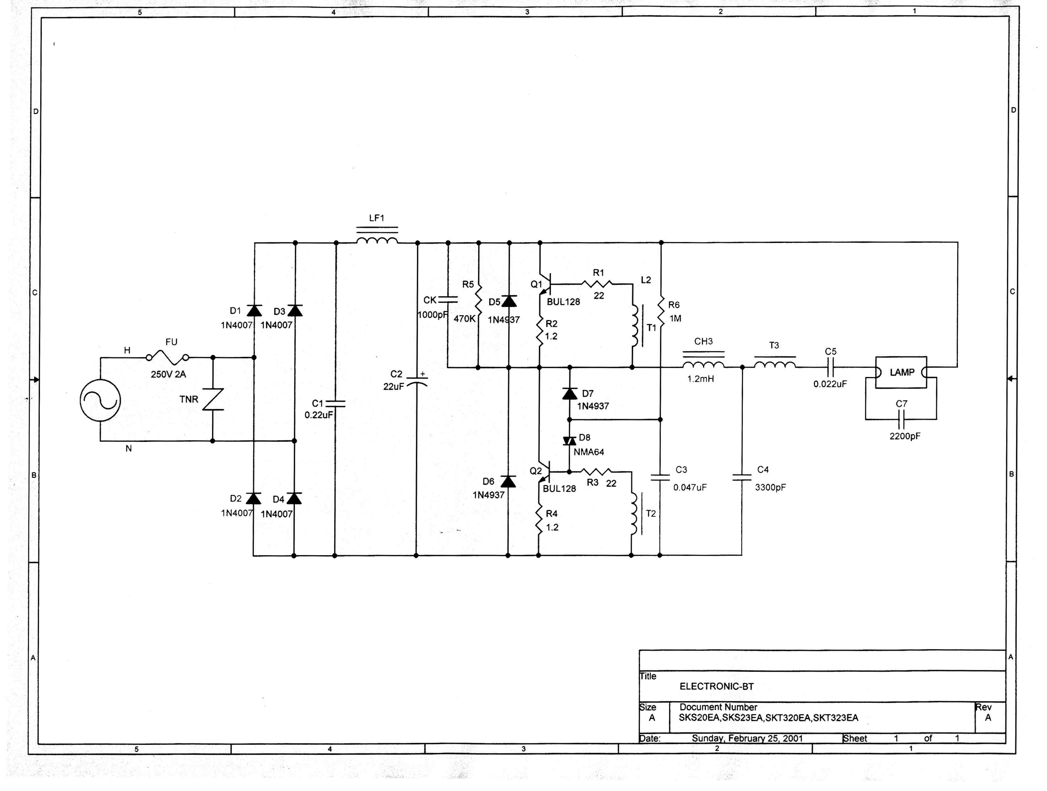
schematics
jpeg
2001-04-09 00:00:00
jpeg
block diagram
jpeg
2001-04-09 00:00:00
jpeg
external photos
External Photos
2001-04-09 00:00:00
pdf
id label 1
ID Label/Location Info
2001-04-09 00:00:00
pdf
Application Details:
Equipment
Electronic Ballast
FRN
9999999999
Grantee Code
JEE
Product Code
20E
Applicant Business
Shinkwang Enterprise Co Ltd
Business Address
330-6 Dukji-ri, Eumbong-Myun , Asan-City, Choongnam,N/A South Korea
TCB Scope
TCB Email
Applicant
Houn-Gu Cho – Deputy General Manager
Applicant Phone
Applicant Fax
82 41543-0955
Applicant Email
[email protected]
Applicant MailStop
Test Firm
Korea Testing Laboratory
Test Firm Contact
Jeong-Min Kim
Test Firm Phone
Test Firm Fax
82-2-860-1468
Test Firm Email
[email protected]
Certified By
Houn-Gu Cho – technical manager
© 2026 FCC.report
This site is not affiliated with or endorsed by the FCC