Toggle navigation
FCC.report
IBFS
ELS
FCC ID
Contact
About
IQKCKW-3000
FCC ID
Equipment:
Wai Ko Electronics Ltd CKW-3000
Flat 8-10, 16F, Block A, High Tech Ind Centre 5-21 Pak Tin Par Street, Tsuen, Wan, Kowloon, N/A H.K. Hong Kong
FCC.report
›
FCC ID
›
Wai Ko Electronics Ltd
›
IQKCKW-3000
Application
Frequency Range
Final Action Date
Granted
6KVPXyTB39g1tKDhx8RRow==
88.3-108.3
1999-04-08
APPROVED
6KVPXyTB39g1tKDhx8RRow==
162.4-162.5
1999-04-08
APPROVED
File Name
Document Type
Date
Direct
MANUAL2
Users Manual
1999-04-08 00:00:00
jpeg
MANUAL1
Users Manual
1999-04-08 00:00:00
jpeg
CIRCUIT
Schematics
1999-04-08 00:00:00
jpeg
INPHOTO1
Internal Photos
1999-04-08 00:00:00
jpeg
INPHOTO
Internal Photos
1999-04-08 00:00:00
jpeg
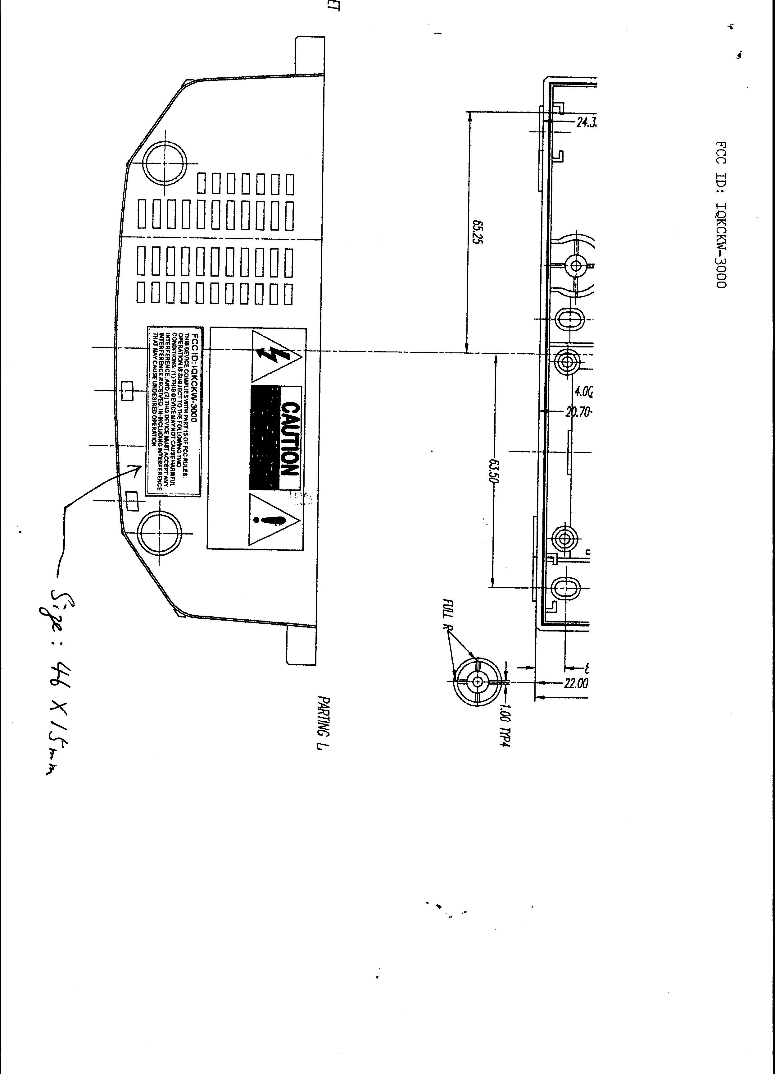
PHOTOID
ID Label/Location Info
1999-04-08 00:00:00
jpeg
LABELID
ID Label/Location Info
1999-04-08 00:00:00
jpeg
EXPHOTO
External Photos
1999-04-08 00:00:00
jpeg
LETTER
Cover Letter(s)
1999-04-08 00:00:00
jpeg
APPOINT
Cover Letter(s)
1999-04-08 00:00:00
jpeg
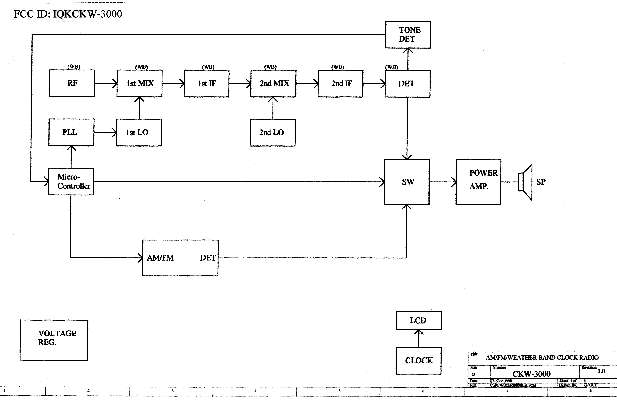
BDIGRAM
Block Diagram
1999-04-08 00:00:00
jpeg
ATTEST
Attestation Statements
1999-04-08 00:00:00
jpeg
13
Cover Letter(s)
1999-04-08 00:00:00
pdf
1486
ID Label/Location Info
1999-04-08 00:00:00
jpeg
Application Details:
Equipment
FM/AM/WB BAND CLOCK RADIO
FRN
9999999999
Grantee Code
IQK
Product Code
CKW-3000
Applicant Business
Wai Ko Electronics Ltd
Business Address
Flat 8-10, 16F, Block A, High Tech Ind Centre 5-21 Pak Tin Par Street, Tsuen, Wan, Kowloon,N/A Hong Kong H.K.
TCB Scope
TCB Email
Applicant
Willie Leung –
Applicant Phone
Applicant Fax
Applicant Email
Applicant MailStop
Test Firm
Hong Kong Standards & Testing Cen.
Test Firm Contact
Wilson Wong
Test Firm Phone
Test Firm Fax
852-2664-4353
Test Firm Email
[email protected]
Certified By
PATRICK WONG – EED MANAGER
© 2026 FCC.report
This site is not affiliated with or endorsed by the FCC